EasyManua.ls Logo

Linde H 50 D - Page 175

Linde H 50 D
282 pages
Print Icon
To Next Page IconTo Next Page
To Next Page IconTo Next Page
To Previous Page IconTo Previous Page
To Previous Page IconTo Previous Page
Loading...
Page 3
Section 4.6
Service Training
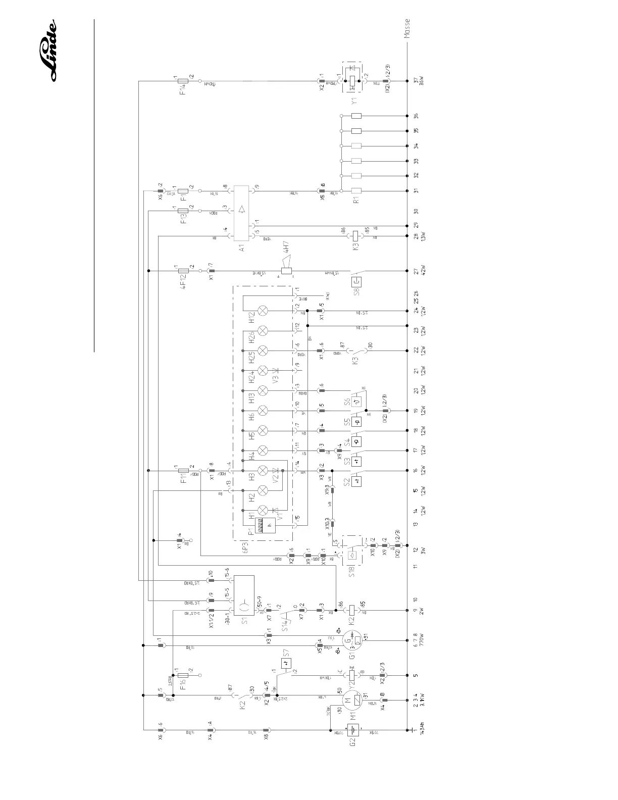
CIRCUIT DIAGRAMM H 50/60/70/80, TYPE 353

Table of Contents

Related product manuals