EasyManua.ls Logo

Linde H 50 D - Page 199

Linde H 50 D
282 pages
Print Icon
To Next Page IconTo Next Page
To Next Page IconTo Next Page
To Previous Page IconTo Previous Page
To Previous Page IconTo Previous Page
Loading...
Page 27
Section 4.6
Service Training
09.04
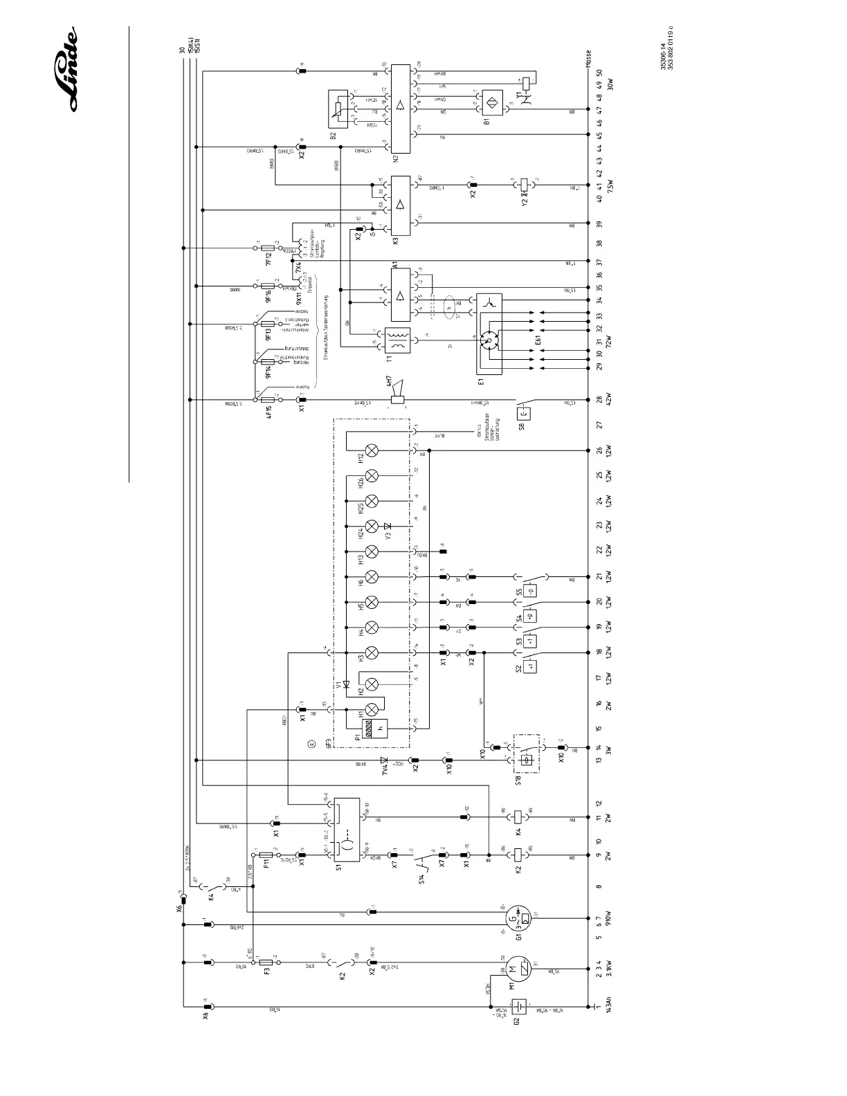
CIRCUIT DIAGRAMM H 50/60/70/80 -03, TYPE 353 LPG

Table of Contents