EasyManua.ls Logo

Linde H 50 D - Page 204

Linde H 50 D
282 pages
Print Icon
To Next Page IconTo Next Page
To Next Page IconTo Next Page
To Previous Page IconTo Previous Page
To Previous Page IconTo Previous Page
Loading...
Section 4.6
Page 32
Service Training
09.04
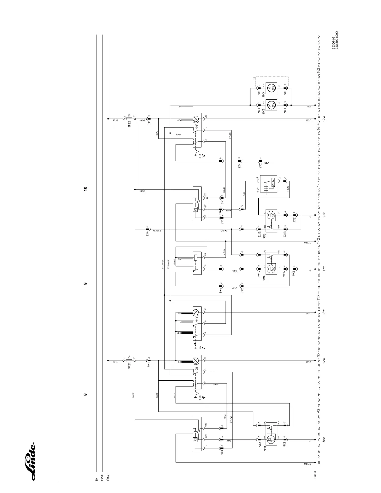
CIRCUIT DIAGRAMM FOR OPTIONAL EQUIPMENT H 50/60/70/80 -03, TYPE 353 LPG

Table of Contents