EasyManua.ls Logo

Linde H 50 D - Page 79

Linde H 50 D
282 pages
Print Icon
To Next Page IconTo Next Page
To Next Page IconTo Next Page
To Previous Page IconTo Previous Page
To Previous Page IconTo Previous Page
Loading...
Service Training
Page 4.2
Section 21
09.04
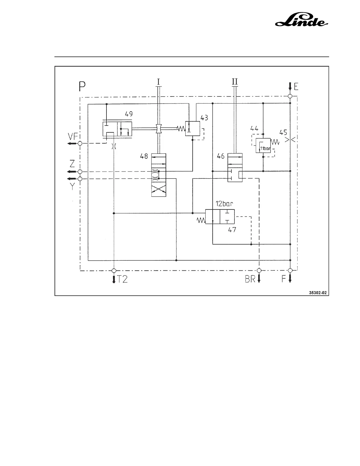
Travel Control Unit
I Operation
Travel direction, swashplate angle, maximum rpm
II Operation
Brake
43 Pressure regulating valve - swashplate angle
44 Pressure-relief valve, 11 bar
45 Restrictor - for differential pressure
46 4/2-way valve - braking
47 2/2-way valve, 12 bar - brake protection
48 4/3-way valve - travel direction
49 3/2-way valve - signal for maximum rpm

Table of Contents

Related product manuals