EasyManua.ls Logo

Linde H 50 D - Page 83

Linde H 50 D
282 pages
Print Icon
To Next Page IconTo Next Page
To Next Page IconTo Next Page
To Previous Page IconTo Previous Page
To Previous Page IconTo Previous Page
Loading...
Service Training
Page 4.2
Section 25
09.04
EXPLANATION
Feed
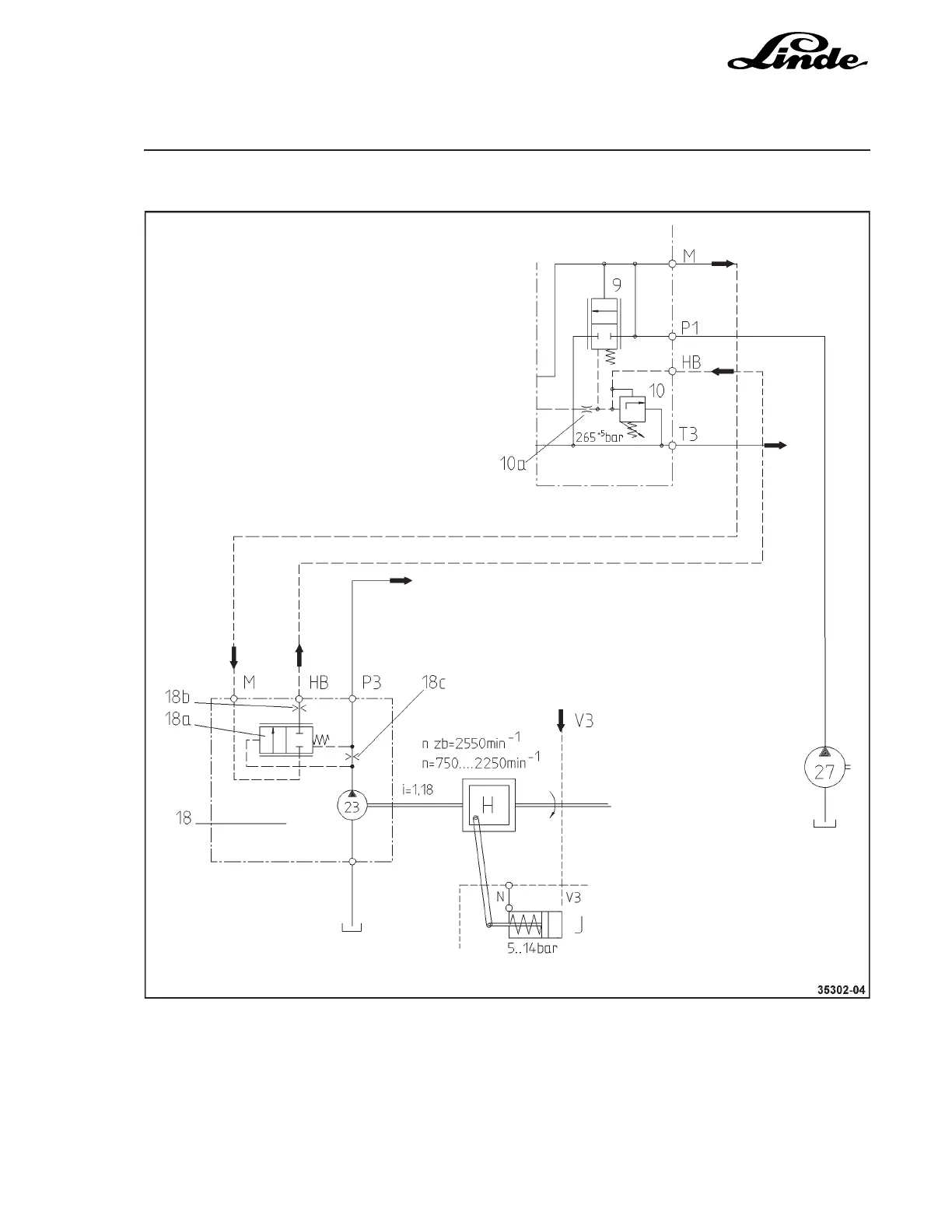
The oil flow from the feed pump (18) goes through restrictor (18c) and is fed through port P3 into the oil
circuit. Way valve (18a) is kept closed by a spring. Restrictor (18c) is used to measure a differential pressure
whose size is proportional to the flow, i.e. it varies with engine speed. The nearly constant pressure
upstream of the restrictor goes into the spring chamber of valve (18a), whereas the speed-dependent
pressure is applied against the spring pressure. When the engine speed reaches approx. 2250 rpm, valve
(18a) opens and sends the working pressure applied at port M through 18 b to port HB
Tank

Table of Contents

Related product manuals