EasyManua.ls Logo

Linhai Crossfire E5 2022 - Lighting System Service

Linhai Crossfire E5 2022
99 pages
Print Icon
To Next Page IconTo Next Page
To Next Page IconTo Next Page
To Previous Page IconTo Previous Page
To Previous Page IconTo Previous Page
Loading...
CHAPTER 6 ELECTRICAL LH50DUSERVICE MANUAL19.1
CHAPTER 6 ELECTRICAL CTRICAL PAGE6
15
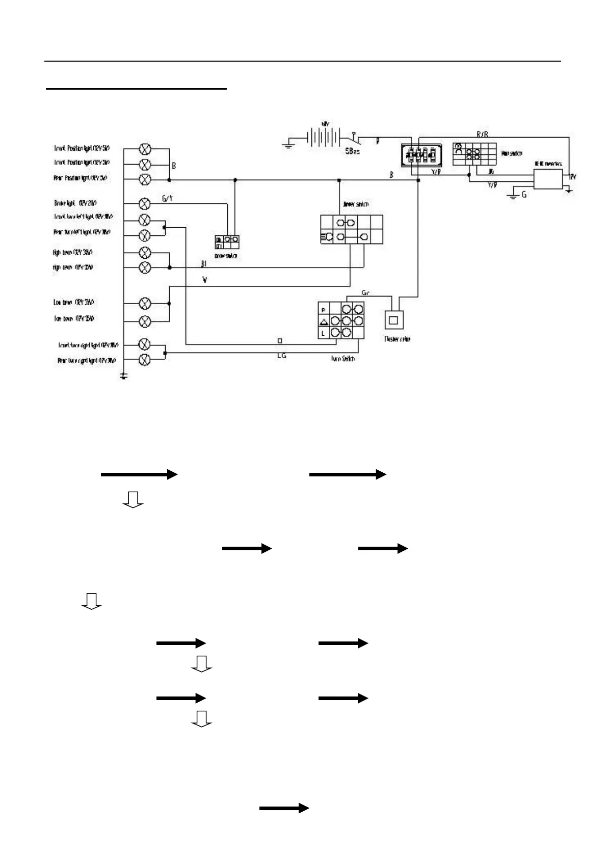
6.5 LIGHTING SYSTEM
1. Fuse (Main) 4.Lights switch
2. Battery 5. DC-DC converters
3. Main switch 6. Wiring connection (entire lighting system)
1Fuse NO CONTINUITY Replace the fuse.
CONTINUITY
2. Battery
Check the battery condition. INCORRECT Clean battery terminals.
Recharge or replace the battery.
Refer to "BATTERY INSPECTION"
CORRECT
3 Main switch
CHECK SWITCHES NO CONTINUITY Replace
CONTINUITY
4.Lights switch
CHECK SWITCHES NO CONTINUITY Replace
CONTINUITY
5. DC-DC Voltage Converter
Check the DC-DC Voltage Converter OUT OF SPECIFICATION

Related product manuals