EasyManua.ls Logo

Lochinvar 400 - Page 53

Lochinvar 400
80 pages
Print Icon
To Next Page IconTo Next Page
To Next Page IconTo Next Page
To Previous Page IconTo Previous Page
To Previous Page IconTo Previous Page
Loading...
Installation & Operation Manual
53
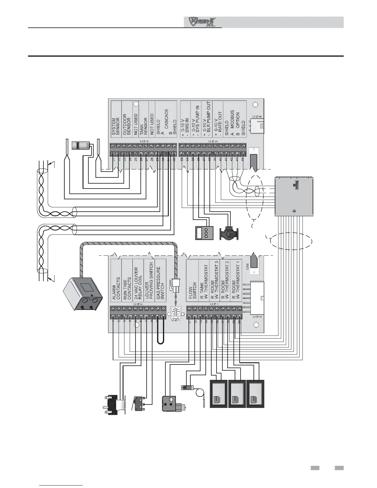
8 Field wiring (continued)
LOUVER RELAY
FLOW SWITCH
TANK THERMOSTAT
ROOM THERMOSTAT 3
SYSTEM SUPPLY SENSOR
BUILDING
MANAGEMENT
SYSTEM
LOUVER
PROVING SWITCH
COM
NO
LOW WATER
CUTOFF
OUTDOOR SENSOR
TANK SENSOR
SHIELD
SHIELD
TO
NEXT
BOILER
A
B
A
B
FROM
PREVIOUS
BOILER
ROOM THERMOSTAT 1
ROOM THERMOSTAT 2
A
B
NOTE:
CONNECTION BOARD SPLIT FOR
ILLUSTRATION PURPOSES
WIRE AS
NEEDED
SYSTEM PUMP
SPEED
CONTROL
BOILER
PUMP
Figure 8-3 Low Voltage Field Wiring Connections

Table of Contents