EasyManua.ls Logo

LogTag TRIX-8 V2 - Appendix 2: Circuit Diagram

Default Icon
44 pages
Print Icon
To Next Page IconTo Next Page
To Next Page IconTo Next Page
To Previous Page IconTo Previous Page
To Previous Page IconTo Previous Page
Loading...
LogTag TRIX-8 V2 Work Instruction Manual Revision 10.17 Page 40/44
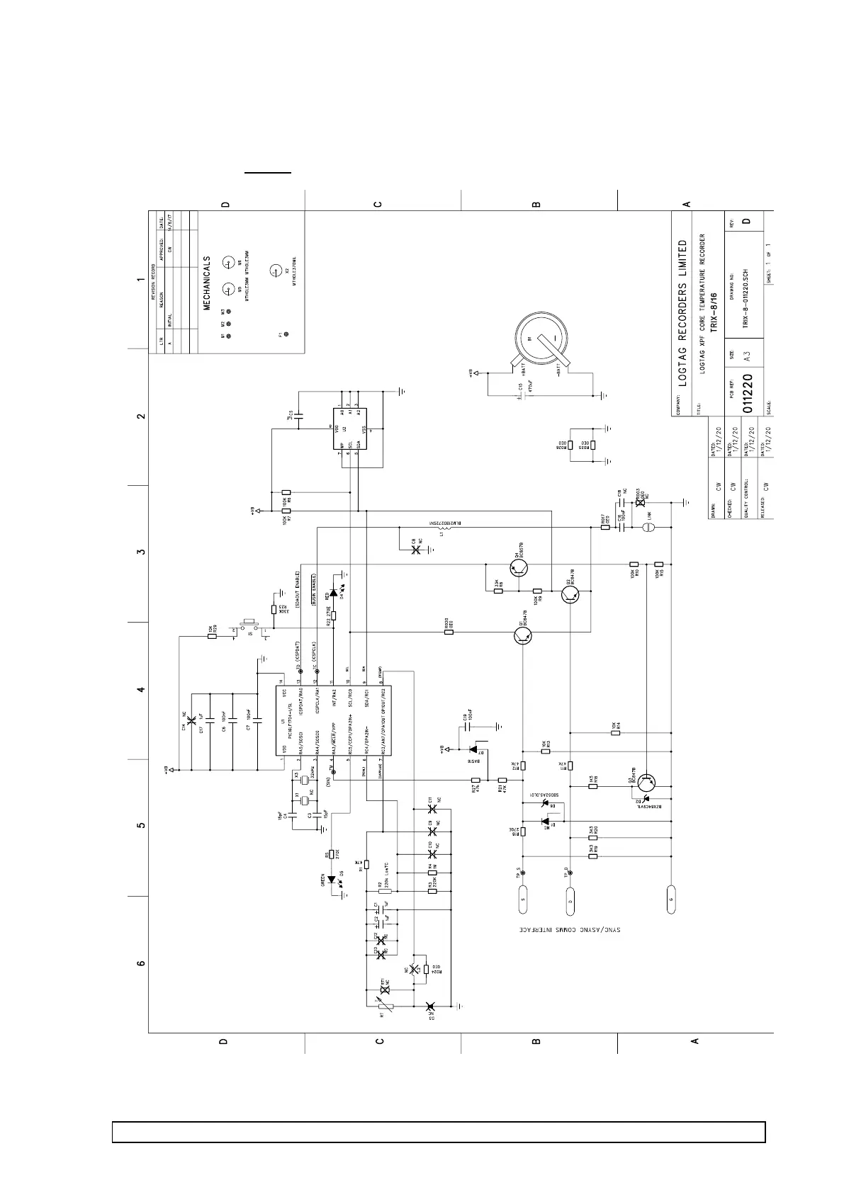
APPENDIX 2 : LogTag TRIX-8/16 V2 CIRCUIT DIAGRAM
PCBID : 011220 ONLY
TRIX-8 = 24AA128
TRIX-16 = 24AA256

Related product manuals