EasyManua.ls Logo

LONCIN 2V90FD - Powered Starting System Diagram

LONCIN 2V90FD
32 pages
Print Icon
To Next Page IconTo Next Page
To Next Page IconTo Next Page
To Previous Page IconTo Previous Page
To Previous Page IconTo Previous Page
Loading...
Wiring diagram
- 29 -
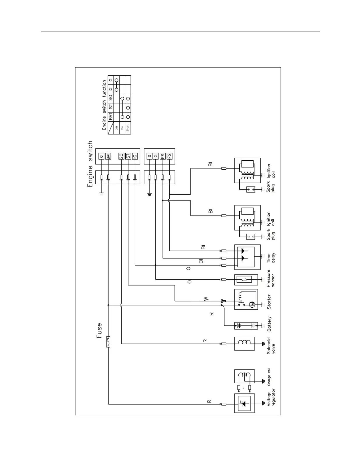
12.Wiring diagram
Powered starting engine with oil protection system

Related product manuals