EasyManua.ls Logo

Lowara NSCF - Page 52

Lowara NSCF
60 pages
Print Icon
To Next Page IconTo Next Page
To Next Page IconTo Next Page
To Previous Page IconTo Previous Page
To Previous Page IconTo Previous Page
Loading...
19.
NSC_M0043_A_sc
Italiano
1. Righello
2. Misuratore di spessore
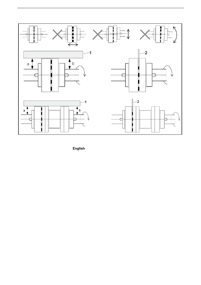
English
1. Ruler
2. Thickness gauge
Français
1. Règle
2. Jauge d'épaisseur
Deutsch
1. Lineal
2. Fühlerlehre
Español
1. Regla
2. Calibrador de espesor
Português
1. Régua
2. Calibrador de espessura
Nederlands
1. Liniaal
2. Diktemeter
Dansk
1. Lineal
2. Tykkelsesmåler
Norsk
1. Linjal
2. Følelære
Svenska
1. Linjal
2. Tjockleksmätare
Suomi
1. Viivain
2. Rakotulkki
Íslenska
1. Reglustika
2. Þykktarmælir
Eesti
1. Joonlaud
2. Jämeduse määramise mõõ-
teriist
Latviešu
1. Lineāls
2. Biezummērs
Lietuvių k.
1. Liniuotė
2. Storio matuoklis
polski
1. Liniał
2. Grubościomierz
Čeština
1. Měřítko
2. Číselníkový úchylkoměr
Slovenčina
1. Pravítko
2. Hrúbkomer
magyar
1. Vonalzó
2. Vastagságmérő
Română
1. Riglă
2. Şubler micrometric
Български
1. Линия
2. Дебеломер
it en fr de es pt nl da no sv fi is et lv lt pl cs sk hu ro bg sl hr sr el tr ru uk ar
403

Related product manuals