EasyManua.ls Logo

LS MTRON XP8101 - Tension of Fan Belt; Toe-In; In-Line Pressure Filter

Default Icon
193 pages
Print Icon
To Next Page IconTo Next Page
To Next Page IconTo Next Page
To Previous Page IconTo Previous Page
To Previous Page IconTo Previous Page
Loading...
5 -20
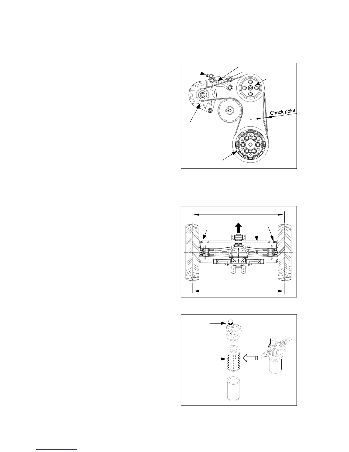
(5) Toe-in
z Check Toe-in of the front wheel and if needed,
adjust it as below.
Normal value : B – A = 0~5 mm (0~0.2 in.)
z Loosen lock nut of the tie-rod (both side).
z Fix steering cylinder and turn adjuster counter-
clockwise, the toe-in (“B-A”) shall be increased.
z Turn adjuster of the other side to the same
displacement.
z After adjusting Toe-in, tighten the lock-nuts.
z If possible, contact your authorized local dealer.
Adjusting plate
Tension
Bolt
Alternator
pulley
Water pump
pulley
Crank shaft pulley
(4) Tension of Fan belt
z Check the tension of fan belt. If it is not suitable
to standard value, loosen the bolt and adjust the
tension.
- Belt tension : crank shaft pulley ~ water pump
pulley
- Normal : Approx. 10~12mm (0.4~0.5in.)
(if pressed by 98 N (22 lb))
z When adjusting the tension,
1. Loosen two locking bolts of alternator and bolt of
adjusting plate slightly.
2. Tighten or loose the tension bolt to apply the
standard tension to the belt.
3. Tighten the locking bolts of alternator and
adjusting plate.
A
FRONT
B
Tie-rod
Lock nut
Lock nut
Indicator
Element
(6) In-line pressure filter(optional)
z If this in-line pressure filter is clogged, the
automatic leveling control or electro-hydraulic lift
(EHL) may not be operated smoothly.
z This filter is located in front of the right rear axle
housing.
z If the indicator installed on the filter housing is
changed from green color to red color, replace
the element with a new one.

Table of Contents

Related product manuals