EasyManua.ls Logo

LSIS XBC-DR30SU - Output Circuit and Corrective Actions

LSIS XBC-DR30SU
384 pages
Print Icon
To Next Page IconTo Next Page
To Next Page IconTo Next Page
To Previous Page IconTo Previous Page
To Previous Page IconTo Previous Page
Loading...
Chapter 15 Troubleshooting
15-9
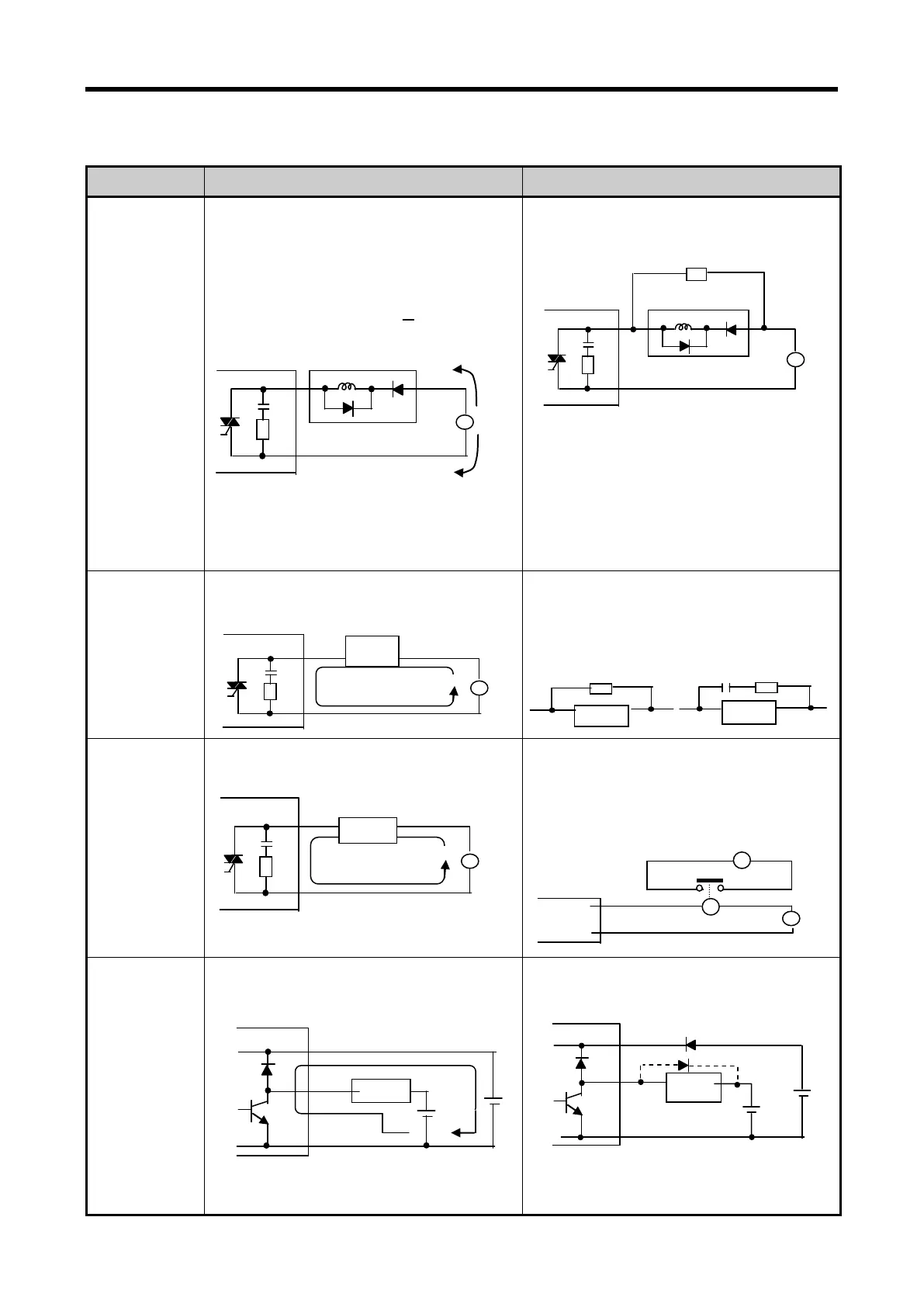
15.4.2 Output circuit and corrective actions
The following describes possible troubles with output circuits, as well as their corrective actions.
Condition
Cause
Corrective Action
When the output
is off, excessive
voltage is
applied to the
load.
Load is half-wave rectified inside (in some
cases, it is true of a solenoid)
When the polarity of the power supply is as
shown in , C is charged. When the polarity is
as shown in , the voltage charged in C plus
the line voltage are applied across D. Max.
voltage is approx. 2√2.
*) If a resistor is used in this way, it does not
pose a problem to the output element. But it may
make the performance of the diode (D), which is
built in the load, drop to cause problems.
Connect registers of tens to hundreds KΩ
across the load in parallel.
The load
doesn’t
turn off.
Leakage current by surge absorbing circuit,
which is connected to output element in parallel.
Connect C and R across the load, which are of
registers of tens KΩ. When the wiring distance
from the output module to the load is long, there
may be a leakage current due to the line
capacity.
When the load
is C-R type
timer, time
constant
fluctuates.
Leakage current by surge absorbing circuit,
which is connected to output element in parallel.
Drive the relay using a contact and drive the
C-R type timer using the since contact.
Use other timer than the CR contact some
timers have half-ware rectified internal circuits
therefore, be cautious.
The load does
not turn off.
Sneak current due to the use of two different
power supplies.
E1<E2, sneaks. E1 is off (E2 is on), sneaks.
Use only one power supply.
Connect a sneak current prevention diode.
If the load is the relay, etc, connect a
counter-electromotive voltage absorbing code as
shown by the dot line.
R
Load
R
Load
C
Output
Load
E
1
E
2
E1
Load
E2
Output
C
R
Load
Leakage current
Output
~
C
R
Load
Leakage current
Output
~
X
T
Timer
Output
~
C
R
Load
D
~
C
R
Load
R
D
~
www.behaotomasyon.com
www.behaotomasyon.com

Table of Contents

Related product manuals