EasyManua.ls Logo

LSIS XBF-DC04A - Page 369

LSIS XBF-DC04A
618 pages
Print Icon
To Next Page IconTo Next Page
To Next Page IconTo Next Page
To Previous Page IconTo Previous Page
To Previous Page IconTo Previous Page
Loading...
Chapter 10 Analog I/O Option Board (XBO-AH02A)
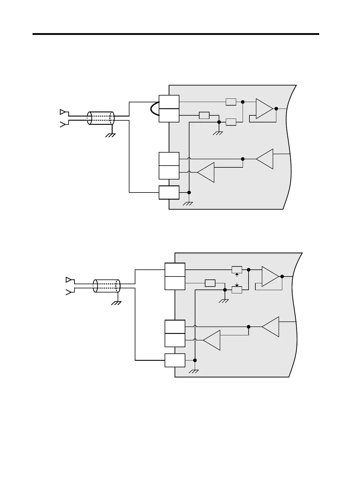
10.7.3 Analog input wiring example
(1) Current input wiring example
+
-
CH0
V0+
I0+
V0+
I0+
COM
R
R
R
*(b)
XBO-AH02A
*(a)
INPUT
OUTPUT
*(a) In case of current input, connect V+ terminal to I+ terminal
*(b) Input resistance of current input circuit is 250 Ω (typ.).
(2) Voltage input wiring example
+
-
CH0
V0+
I0+
V0+
I0+
COM
R
R
R
XBO-AH02A
INPUT
OUTPUT
*(a)
*(a) Input resistance of voltage input circuit is 1 MΩ (min.)
10 - 17

Table of Contents

Related product manuals