EasyManua.ls Logo

LSIS XBF-DC04A - Page 525

LSIS XBF-DC04A
618 pages
Print Icon
To Next Page IconTo Next Page
To Next Page IconTo Next Page
To Previous Page IconTo Previous Page
To Previous Page IconTo Previous Page
Loading...
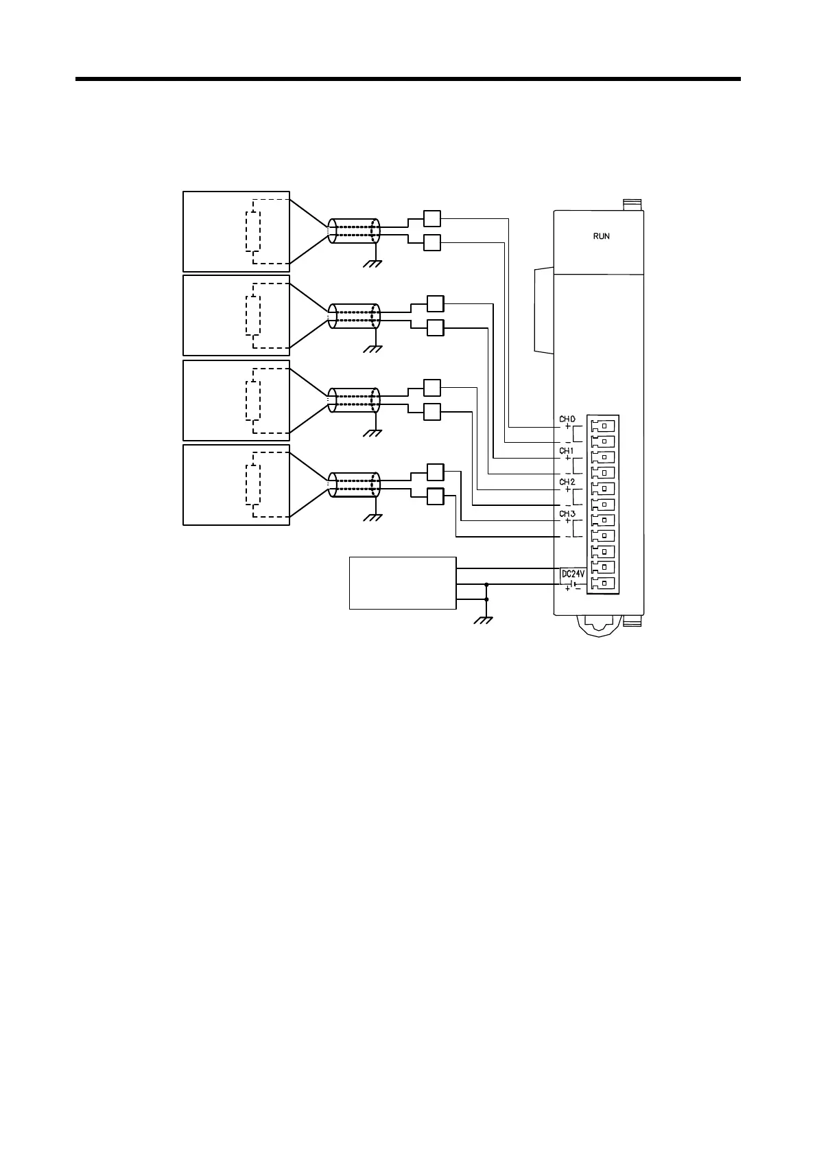
Chapter14 Analog Output Module (XBF-DV04C/XBF-DC04C)
(2) Example for analog current output wiring (XBF-DC04C : Current)
+
-
CH0
+
-
CH1
CH0-
DC24V+
DC24V-
DC Power
(For analog module)
+
-
CH2
+
-
CH3
CH0+
CH1-
CH1+
CH2-
CH2+
CH3-
CH3+
600
or less
Motor-driven devices
600
or less
600
or less
600
or less
XBF-DC04C
XBF-DC04C
PE
1: Two-core twisted shield wire should be used as wire.
2: DC power for analog power supply has to connect DC24V- with PE.
14 - 17

Table of Contents

Related product manuals