EasyManua.ls Logo

Luna BBD 100 - Page 22

Luna BBD 100
Print Icon
To Next Page IconTo Next Page
To Next Page IconTo Next Page
To Previous Page IconTo Previous Page
To Previous Page IconTo Previous Page
Loading...
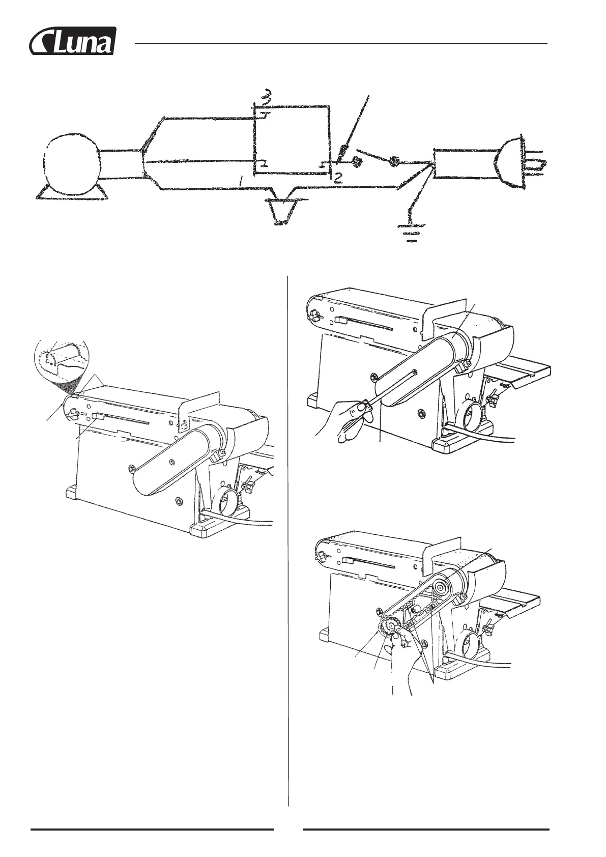
Spindlirihmaratas
Veorihm
Mootoririhmaratas
Kruvid
Rihmakaitse
Lihvrull
Kang
Laagrid
Õlita siit
Mootor
Must
Punane
Valge
Relee
Klemm
Lüliti
Valge
Roheline
Kaabel
HOOLDUS
SINU ENDA TURVALISUSE HUVIDES: reguleerimise ajaks
lahuta masin elektrivõrgust. Vigu mootoris, elektriseadmeis, lülitis
peab alati korrastama kvalifitseeritud elektrik.
MÄÄRIMINE
Kuullaagrid on vabrikus määritud ja neid pole tarvis määrida.
Lihvrulli laagreid peab määrima vedela õliga iga 10 töötunni järel.
1. Lase lindipingutuskangi abil lint lõdvaks.
2. Tõsta linti ettevaatlikult servadest, et paistaksid ovaalsed õli-
tusavad.
3. Lase paar tilka õli mõlemasse avasse.
4. Pinguta lint ja reguleeri nagu eespool kirjeldatud.
VEORIHMA VAHETAMINE
1. Vabasta rihmakaitse kruvid.
2. Eemalda kaitse.
3. Vabasta kolm kruvi, et rihm lõdveneks. Eemalda vigastatud
rihm. Aseta uus rihm rihmaratastele.
20

Related product manuals