EasyManua.ls Logo

Luna BBD 100 - Page 31

Luna BBD 100
Print Icon
To Next Page IconTo Next Page
To Next Page IconTo Next Page
To Previous Page IconTo Previous Page
To Previous Page IconTo Previous Page
Loading...
29
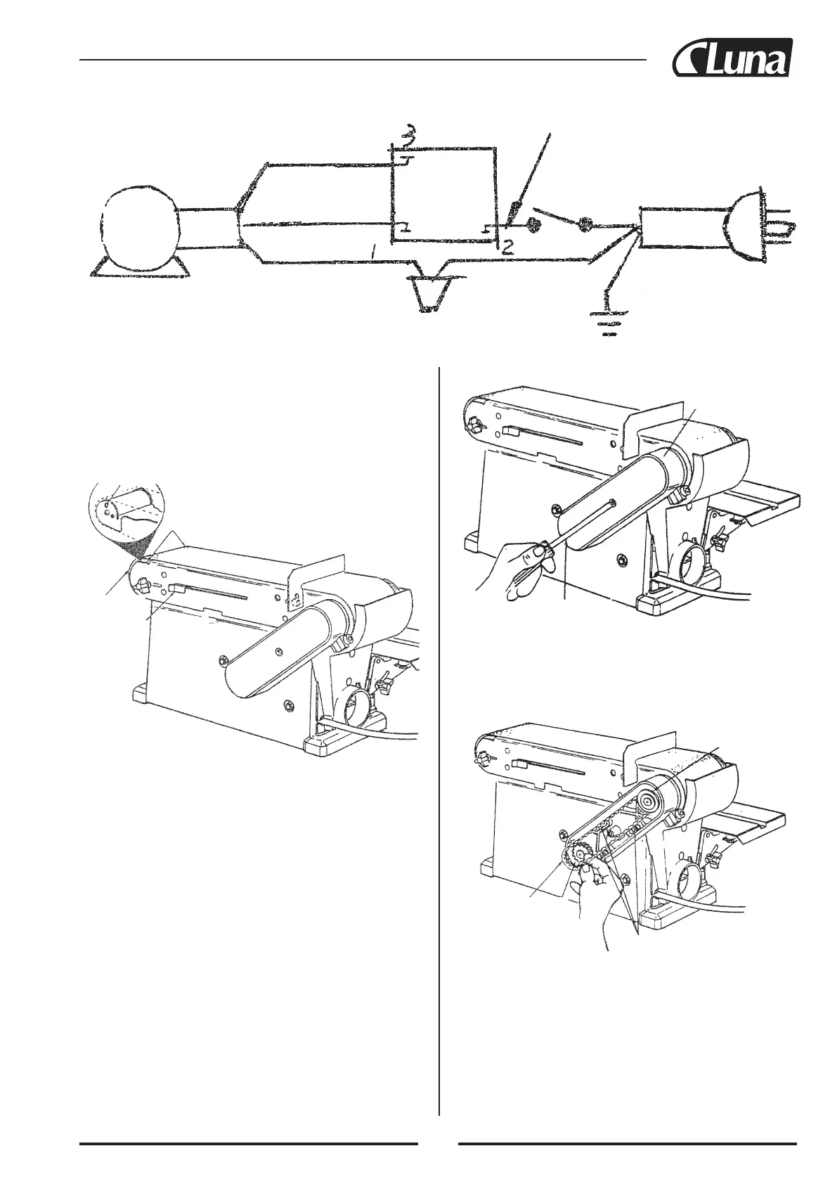
3. Löysää kolme ruuvia voimansiirtohihnan vetopyörän vapaut-
tamiseksi. Ota pois kulunut hihna. Aseta vetopyörälle uusi
hihna.
Akselin hihnan
vetopyörä
Voimansiirtohihna
Moottorin hihnan
vetopyörä
Ruuvit
HUOLTO
Henkilöturvallisuuden tarkoituksissa: ennen jonkunlaista hoitoa
aina pysäytä laite ja irtikytke se sähköverkosta.
Moottorin, kytkimen tai muissa sähkövarustuksen osissa ilmene-
vien häiriöiden korjaus usko aina vain ammattipätevälle sähkö-
miehelle.
VOITELU
Laakereiden voitelu jo on toteutettu tehtaalla siksi ne eivät kysy
voitelua. Voitele hiomarullan laakeri nestevoiteluaineella 10 työ-
tunnin välein.
1. Pingotusvivun avulla vapauta hihnan pingotus.
2. Tarkkaavaiusesti käännä hihna sivupuolelle päästäkseen voi-
telureikiin.
3. Voitele joka puolta vain muutamalla öljypisaralla.
4. Pingota hihna ja toteuta ylhäällä kuvattu säätäminen.
VOIMANSIIRTOHIHNAN VAIHTO
1. Kierrä irti hihnan suojalaitteen keskellä sijaitsevat ruuvit.
2. Ota pois kansi.
Hihnan suojalaite
Hiomarulla
Vipu
Laakeri
Voitele tähän
Moottori
Musta
Punainen
Valkoinen
Katkaisin
Liitos
Kytkin
Valkoinen
Vihreä
Kaapeli

Related product manuals