EasyManua.ls Logo

Luna BBD 100 - Page 50

Luna BBD 100
Print Icon
To Next Page IconTo Next Page
To Next Page IconTo Next Page
To Previous Page IconTo Previous Page
To Previous Page IconTo Previous Page
Loading...
Ratukas ant ašies
Pavaros diržas
Motoro pavaros
diržo ratukas
Varžtai
Pavaros diržo
saugiklis
Šlifavimo
velenas
Rankena
Skriemuliai
Sutepkite čia
Motoras
Juodas
Raudonas
Baltas
Relė
Lankas
Jungiklis
Baltas
Žalias
Kabelis
PRIEŽIŪRA
Jūsų saugumui: prieš bet kokių priežiūros darbų vykdymą visuo-
met išjunkite šlifavimo mašiną ir atjunkite nuo elektros tinklo.
Motoro, automatinio jungiklio arba kokio kito elektros įrengimo
gedimus turi pašalinti kvalifikuotas elektrikas.
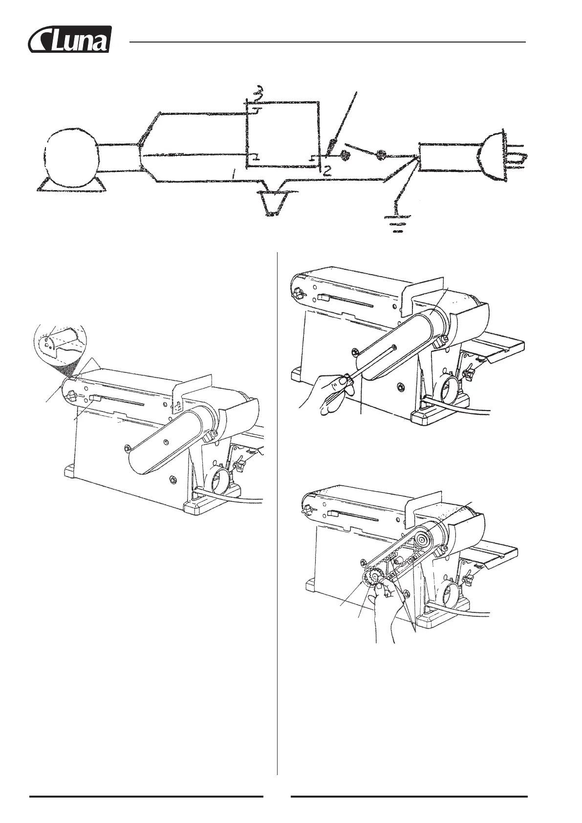
PAVAROS DIRŽO KEITIMAS
1. Atpalaiduokite varžtus pavaros diržo saugiklyje.
2. Nuimkite apdangalą.
3. Atpalaiduokite tris varžtus taip, kad ratukai šiek tiek pajudėtų.
Nuimkite nusidėvėjusį pavaros diržą. Uždėkite ant ratukų naują
pavaros diržą.
SUTEPIMAS
Guoliai yra sutepti gamykloje, ir jiems nereikalingas papildomas
sutepimas. Šlifavimo veleno skriemuliai turi būti sutepami skysta
alyva po kiekvienų 10 darbo valandų.
1. Atpalaiduokite šlifavimo juostos įtempimą įtempimo rankenos
pagalba.
2. Atsargiai patraukite šlifavimo juostą į šonus, kad atidengti abi
ovalines sutepimo angas.
3. Įlašinkite kiekvienoje pusėje tiktai porą tepalo lašų.
4. Įtempkite šlifavimo juostą ir uždėkite taip, kaip parodyta
anksčiau.
48

Related product manuals