EasyManua.ls Logo

Luna BBD 100 - Page 77

Luna BBD 100
Print Icon
To Next Page IconTo Next Page
To Next Page IconTo Next Page
To Previous Page IconTo Previous Page
To Previous Page IconTo Previous Page
Loading...
75
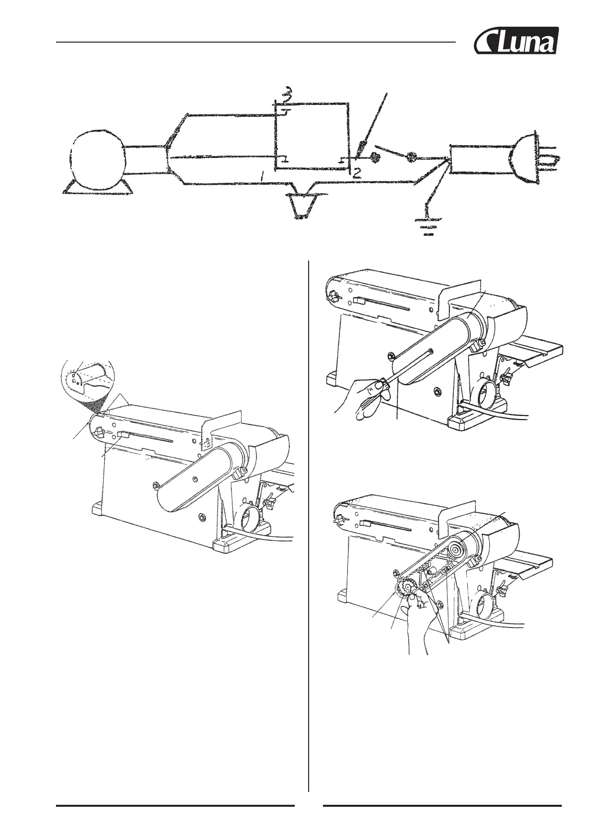
Kółko przy walcu
napędowym
Pasek napędowy
Kółko przy
silniku
Śruby
Pokrywa paska
Walec
napinający
Dźwignia
napinająca
Łożysko
Olej wkraplać tutaj
Silnik
Czarny
Czerwony
Biały
Przekaźnik
Mostek
Wyłącznik
Biały
Zielony
Kabel
KONSERWACJA
Dla własnego bezpieczeństwa: Przed przeprowadzeniem jakich-
kolwiek prac konserwacyjnych należy odłączyć zasilanie mas-
zyny.
Naprawy silnika, wyłącznika lub innych części układu elek-
trycznego mogą być wykonywane tylko przez kwalifikowanego
elektryka.
SMAROWANIE
Łożyska maszyny zostały napełnione smarem fabrycznie i nie
wymagają późniejszego smarowania. Łożyska walców winny być
smarowane rzadkim olejem po każdych 10 godzinach pracy.
1. Poluzować naprężenie taśmy ściernej za pomocą dźwigni
napinającej.
2. Przesunąć ostrożnie taśmę na walcach w bok, aby uzyskać
dostęp do obu owalnych otworów smarowniczych.
3. Wpuścić tyko po kilka kropli oleju w otwór po każdej stronie.
4. Napiąć taśmę i wyregulować bieg w sposób opisany poprzed-
nio.
WYMIANA PASKA NAPĘDOWEGO
1. Wykręcić śrubę znajdującą się pośrodku pokrywy paska.
2. Zdjąć pokrywę.
3. Poluzować trzy śruby i przysunąć kółka pasowe tak, aby pasek
się poluzował. Zdjąć uszkodzony pasek. Założyć nowy pasek na
kółka.

Related product manuals