EasyManua.ls Logo

Luna MD30B - Page 10

Luna MD30B
Print Icon
To Next Page IconTo Next Page
To Next Page IconTo Next Page
To Previous Page IconTo Previous Page
To Previous Page IconTo Previous Page
Loading...
9
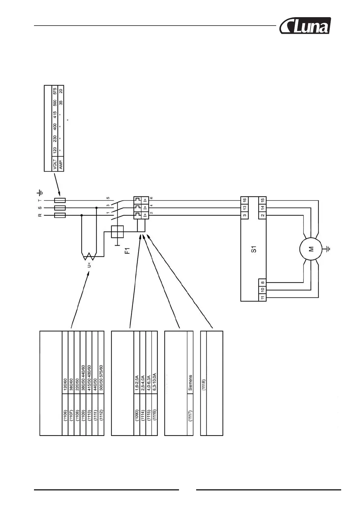
Nollalaukaisin
Moottorin suojakatkasija
Kotelointi
Sähkörasia täyd.
Start / Stop
Varmistussulaketta
ei tarvita
Moottorin suojakatkasija
(1096)
Napojen vaihtokytkin
Sulake maks.
Moottori
Punainen
Harmaa
Keltainen
Musta
Sininen
Valkoinen
Sininen
Ruskea
Vihreä
Keltainen
Punainen
Musta
Harmaa
Valkoinen
KYTKENTÄKAAVIO

Related product manuals