EasyManua.ls Logo

Luna MD30B - Bench Dimensions; Bench Model Drawings

Luna MD30B
Print Icon
To Next Page IconTo Next Page
To Next Page IconTo Next Page
To Previous Page IconTo Previous Page
To Previous Page IconTo Previous Page
Loading...
39
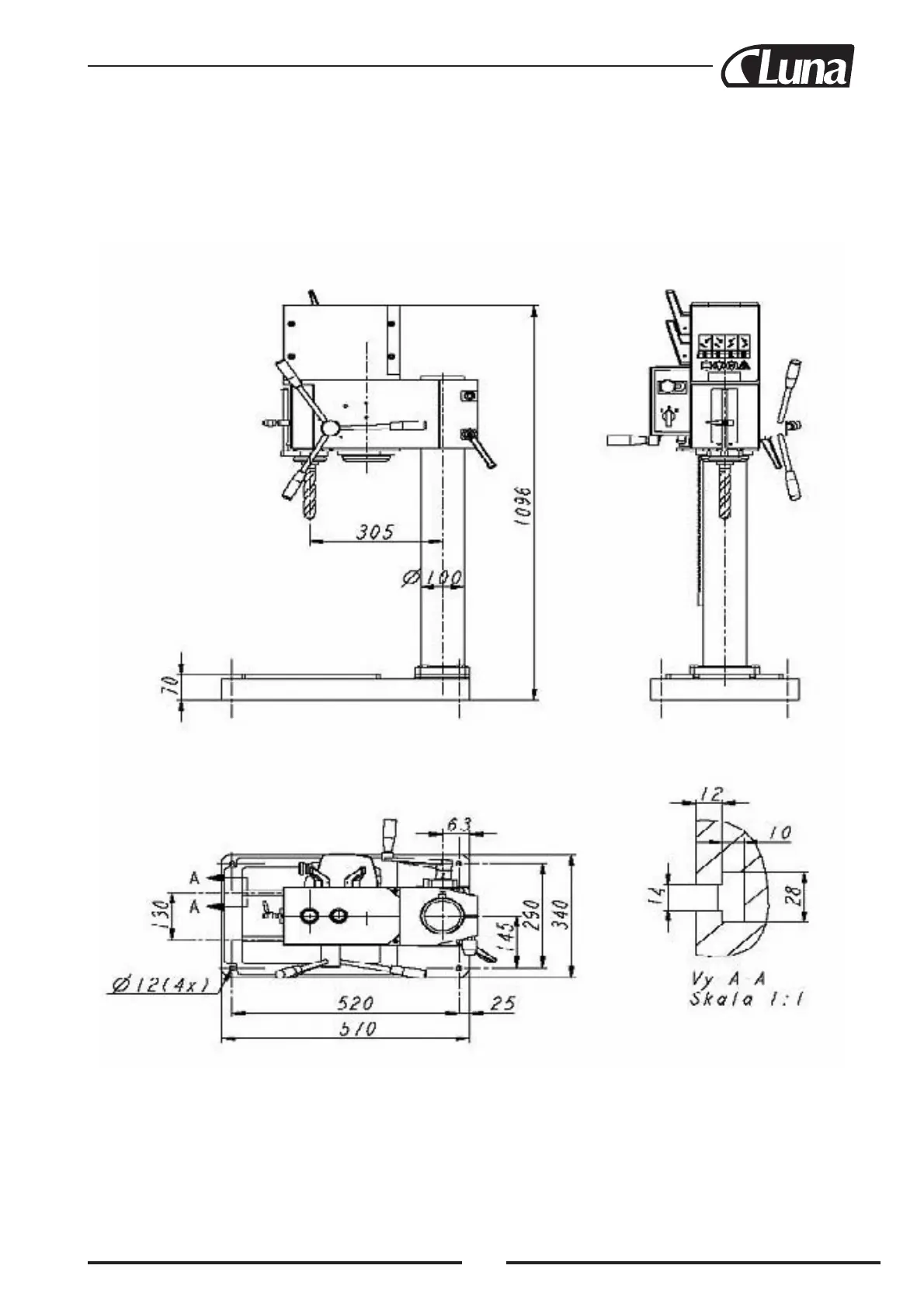
DIMENSION SKETCH BENCH MODEL

Related product manuals