EasyManua.ls Logo

Luna MD30B - Page 19

Luna MD30B
Print Icon
To Next Page IconTo Next Page
To Next Page IconTo Next Page
To Previous Page IconTo Previous Page
To Previous Page IconTo Previous Page
Loading...
18
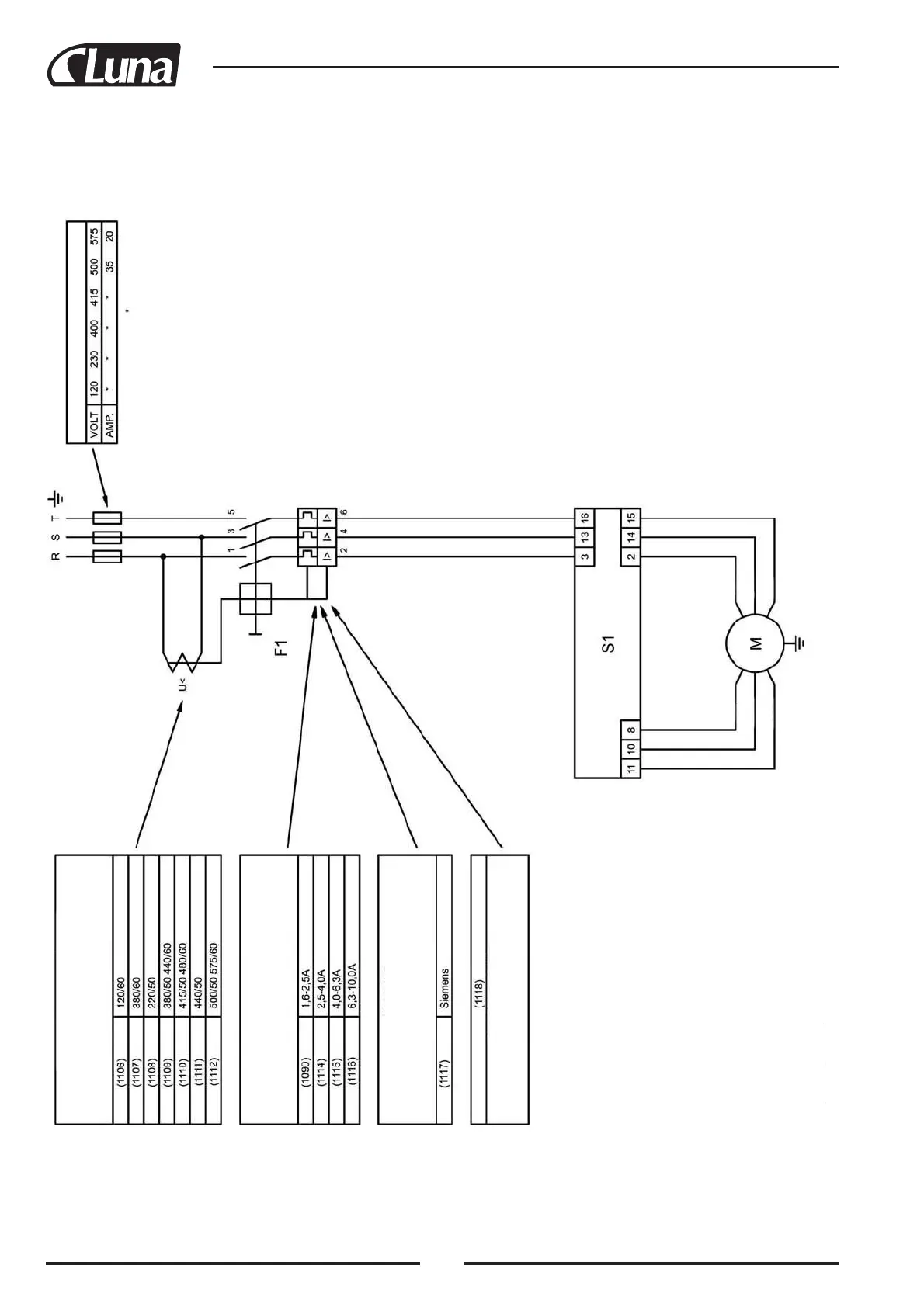
Nulles sprieguma aktivētājs
Motora drošinātājs
Iekapsulējums
Nokomplektēta elektrosadales kārba
Ieslēgšana / izslēgšana
Drošinātāji nav
nepieciešami
Motora drošinātājs
(1096)
Polaritātes pārslēdzējs
Max. fuse
Motors
Sarkans
Pelēks
Dzeltens
Melns
Zils
Balts
Zils
Brūns
Zaļš
Dzeltens
Sarkans
Melns
Pelēks
Balts
ELEKTRISKĀ SHĒMA

Related product manuals