EasyManua.ls Logo

Luna MD30B - Page 7

Luna MD30B
Print Icon
To Next Page IconTo Next Page
To Next Page IconTo Next Page
To Previous Page IconTo Previous Page
To Previous Page IconTo Previous Page
Loading...
6
Alapingekaitse
Mootoriautomaatkaitse
Kaitseklass
Elektrikapi komplekt
Start / Stop
Eelkaitse pole vajalik
Mootori automaatkaitse
(1096)
Reeverslüliti
Suurim lubatud kaitse
Mootor
Punane
Hall
Kollane
Must
Sinine
Valge
Sinine
Pruun
Roheline
Kollane
Punane
Must
Hall
Valge
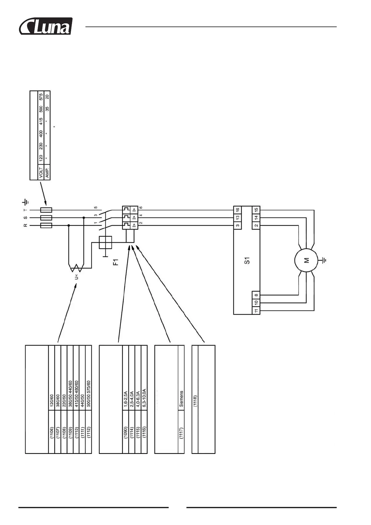
ÜHENDUSSKEEM

Related product manuals