EasyManua.ls Logo

M-Audio AV 40 - Technical Diagrams; Block Diagram; Frequency Response Curve

M-Audio AV 40
10 pages
Print Icon
To Next Page IconTo Next Page
To Next Page IconTo Next Page
To Previous Page IconTo Previous Page
To Previous Page IconTo Previous Page
Loading...
6
|
AV 40 User Guide
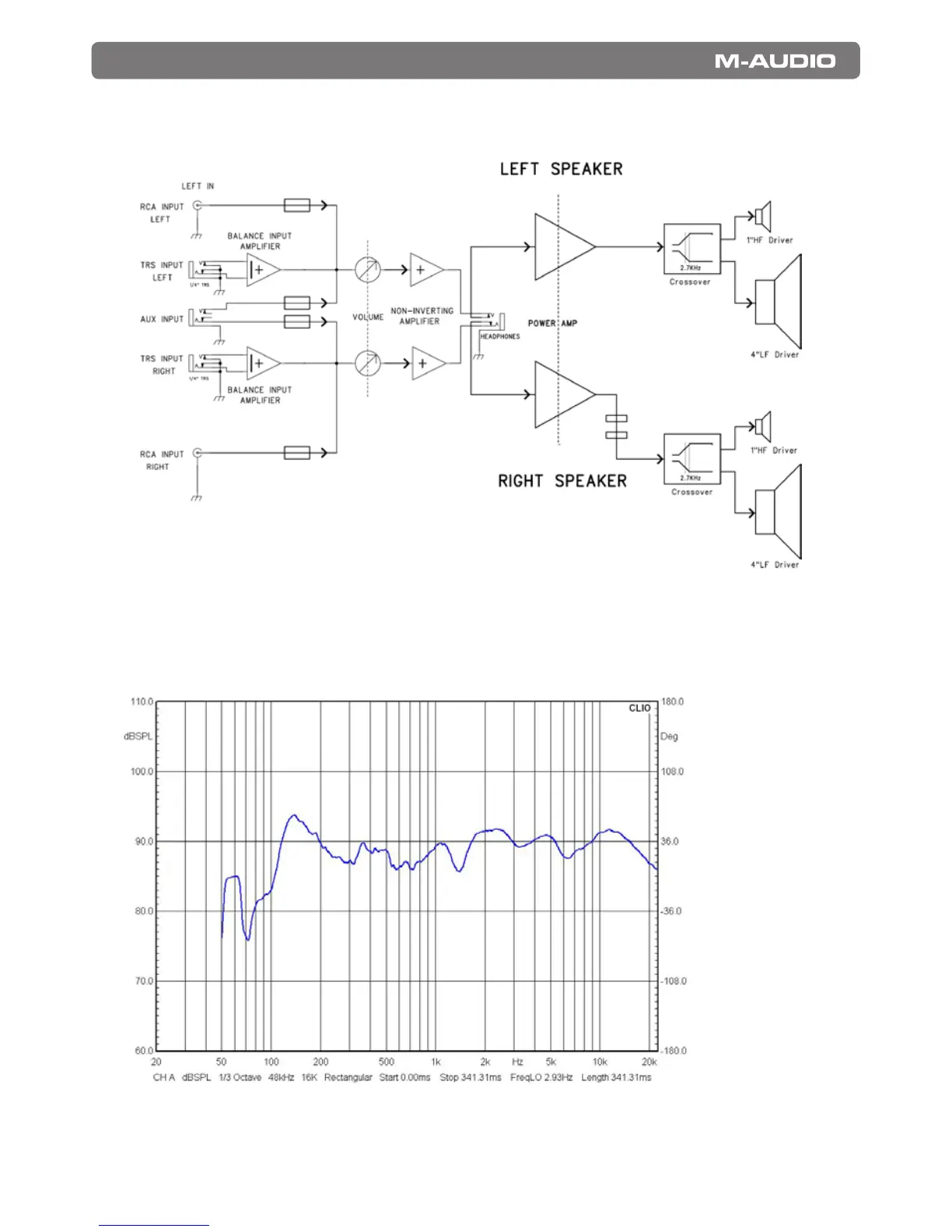
Appendix B - Block Diagram
Appendix C - Frequency Response Curve

Related product manuals