EasyManua.ls Logo

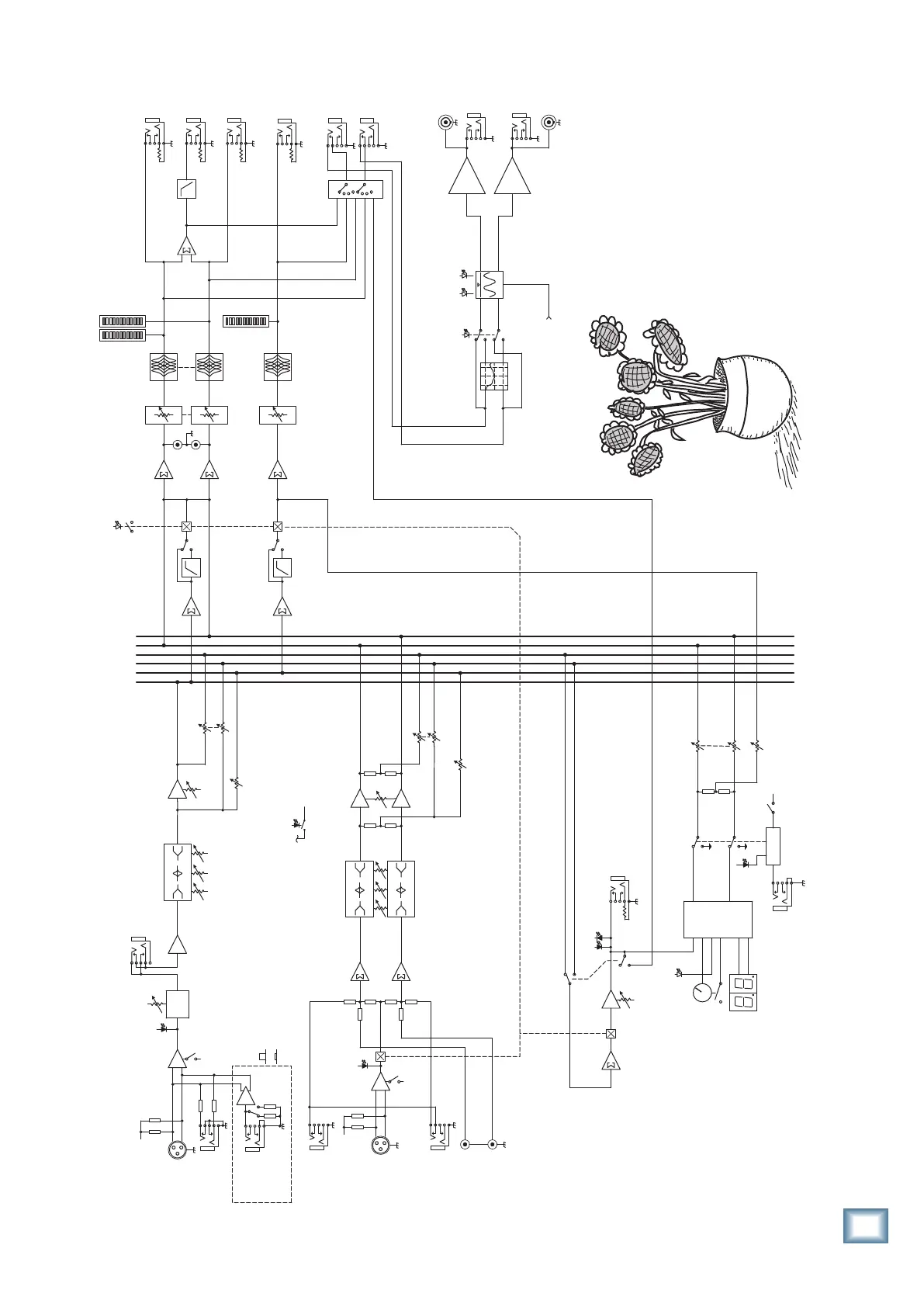
Mackie PPM608 - Block Diagram

Mackie PPM608
32 pages
Print Icon
To Next Page IconTo Next Page
To Next Page IconTo Next Page
To Previous Page IconTo Previous Page
To Previous Page IconTo Previous Page
Loading...
29
Owner’s Manual
Owner’s Manual
Block Diagram
48V
Mics
Mon 2 (pre)
Efx (post)
L
R
L
R
Main level
Stereo
Channels
7-8
L
R
Mono
Channels
Mic
Line
Insert
Gain
Channel Level
Channel Level
Mon
L
Main Out
Main Out
R
Out
A
B
Mics
+
-
Mon 1
L
R
3-Band EQ
Mon
Mic: +25 ~ +45dB
Line: 0 ~ +20dB
Still-life with block diagram
©2007 Loud Technologies Inc. All rights reserved
Note: all switches and sunflowers are shown
in their default (out) position
Comp
Efx
Global phantom power
phtm
phtm
Efx
100Hz
Low Pass
Main Sub Out
Efx sum
Mon 1
HI-Z
LINE
Hi-Z
(Channel
5-6 only)
-or-
1 Meg
Mics
Mon 2 (pre)
Efx (post)
Mon 1
Mic
Gain
+
-
Mic:+25~+45dB
phtm
OL
OL
OL
Sig
select/tap
tap
delay
EFX
display
bypass
Efx to Main
footswitch
Efx to Mon
LO MID
80 2.5K 12K
HI
LO MID
80 2.5K 12K
HI
3-Band EQ
LO MID
80 2.5K 12K
HI
100Hz
Break
Tape out
Mon1 level
Mon1 Out
Amp A in
Amp B in
Precision
Passive EQ
Amp Mode
Limiter
Power Amps
FX/ Mon2
out
Post/Pre
FX
level
7-band
Graphic EQ
7-band
Graphic EQ
100Hz
Break
L
R
A B
Thermal
power limit

Other manuals for Mackie PPM608

Related product manuals