EasyManua.ls Logo

Mackie ProDX4 - ProDX Block Diagram

Mackie ProDX4
20 pages
Print Icon
To Next Page IconTo Next Page
To Next Page IconTo Next Page
To Previous Page IconTo Previous Page
To Previous Page IconTo Previous Page
Loading...
ProDX4 • ProDX8 Wireless Digital Mixers
16
ProDX4 • ProDX8 Wireless Digital Mixers
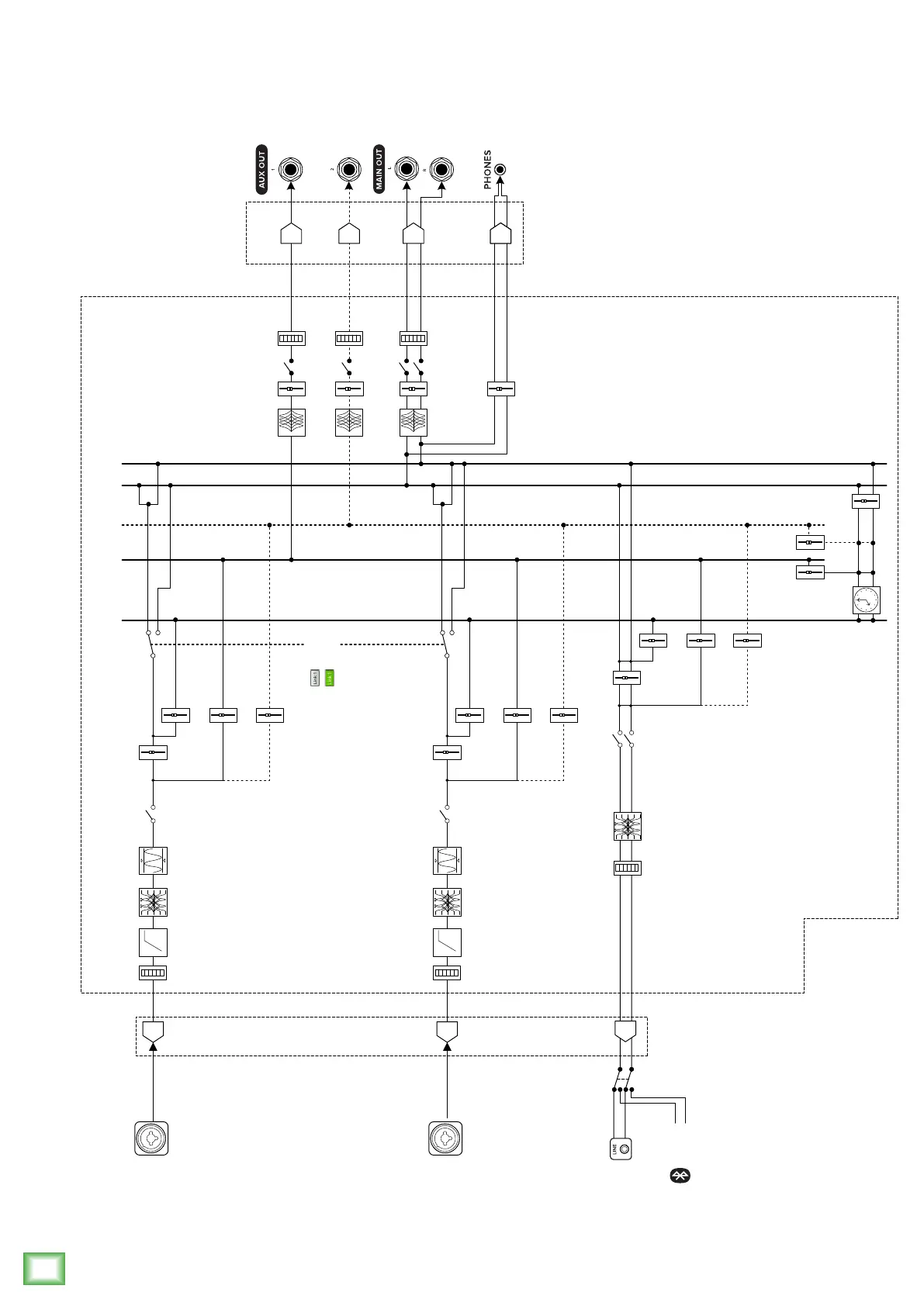
ProDX Block Diagram
ADC
ADC
Fader
MainFX Aux
1 2
L R
Fader
Fader
Fader
Fader MeterMute
Fader
Fader
Fader
Fader
DSP
ADC
Effects:
Reverb
Delay
Chorus
1/4"
TS: 0 dB fixed gain
XLR: +25 dB fixed gain
Channel 1*
1/8" Stereo:
+5 dB fixed gain
1/8"
Stereo Input
takes precedence over
the Bluetooth Input
Parametric
EQ
Compressor MuteLow Cut
DAC
DAC
DAC
DAC
DAC
3–4 [ProDX4]
7–8 [ProDX8]
Bluetooth
Input
Parametric
EQ
7-Band
GEQ
Fader MeterMute
Fader
7-Band
GEQ
Fader MeterMute
7-Band
GEQ
Mute
Fader
FaderFader
ProDX8
Meter
ADC
Fader
Fader
Fader
Fader
1/4"
TS: 0 dB fixed gain
XLR: +25 dB fixed gain
Channel 2*
Parametric
EQ
Compressor MuteLow Cut
Meter
Meter
Link
Button*
*Notes:
ProDX4: Only channels 1 and 2 may be linked.
ProDX8: Channels 1-2, 3-4 and/or 5-6 may be linked.
Input channel processing is linked when channels are linked.

Other manuals for Mackie ProDX4

Related product manuals