EasyManua.ls Logo

Mackie ProFX4 V2 - Profx4 V2 Block Diagram

Mackie ProFX4 V2
24 pages
Print Icon
To Next Page IconTo Next Page
To Next Page IconTo Next Page
To Previous Page IconTo Previous Page
To Previous Page IconTo Previous Page
Loading...
ProFX4v2
20
ProFX4v2
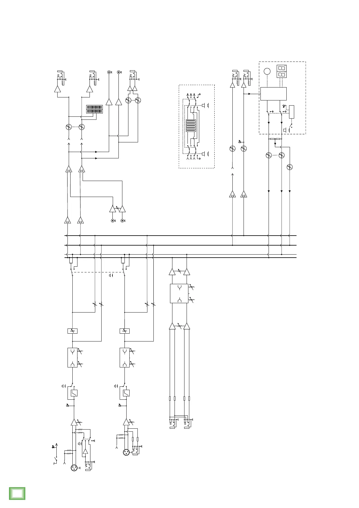
ProFX4v2 Block Diagram
+
-
Stereo
Pan
Button
L
R
Main
Phones
Level
Main Fader
HPF
Fader
Left
Right
FX level
Phones
L sum
R sum
Aux (pre)Mon (pre)
2-Band EQ
FX (post)FX (post)
Internal FX
L
R
Main
100 Hz
Main out
48V
to/from
5-Band
GEQ
Monitor send
Mon Level
Preset select
FX
Preset
Display
FX Mute
Active
FX to Main L/R Fader
OL
Global 48v
Switch/LED
to/from
5-Band EQ
Tape Out
Left
FX
Mon
Low Cut In
L
R
Gain
FX send
In
FX
Out L
Out R
FX to Mon
Phantom Power
(To All Mics)
LO
80 12K
HI
Line Gain:
-20 ~ +20 dB
Level Set
HPF
Fader
2-Band EQ
100 Hz
Mic
+
-
Mic: 0 ~ +50dB
Line: -20 ~ +30dB
Line
Gain
FX
Mon
Low Cut In
Phantom Power
LO
80 12K
HI
2-Band EQ
LO
80 12K
HI
Level Set
Bypass
switch
5-band Stereo
GEQ
Bypass
EQ In
EQ assign
switch
Mon
Mains
Main R
Main L
Mon
Main R
Main L
Mon
Note: When not assigned to EQ, signal is sent to straight through to destination.
Right
Main
Meters
Tape Input
L
R
Level
Level
Mic
Mic: 0 ~ +50dB
Line: -20 ~ +30dB
Line /
Hi-Z
Gain
Phantom
Power
Line /
Hi-Z
Mono Channel 1
Mono Channel 2
Stereo Channels 3-4

Related product manuals