EasyManua.ls Logo

Mackie ProFX8 - Block Diagram

Mackie ProFX8
36 pages
Print Icon
To Next Page IconTo Next Page
To Next Page IconTo Next Page
To Previous Page IconTo Previous Page
To Previous Page IconTo Previous Page
Loading...
31
Owner’s Manual
Owner’s Manual
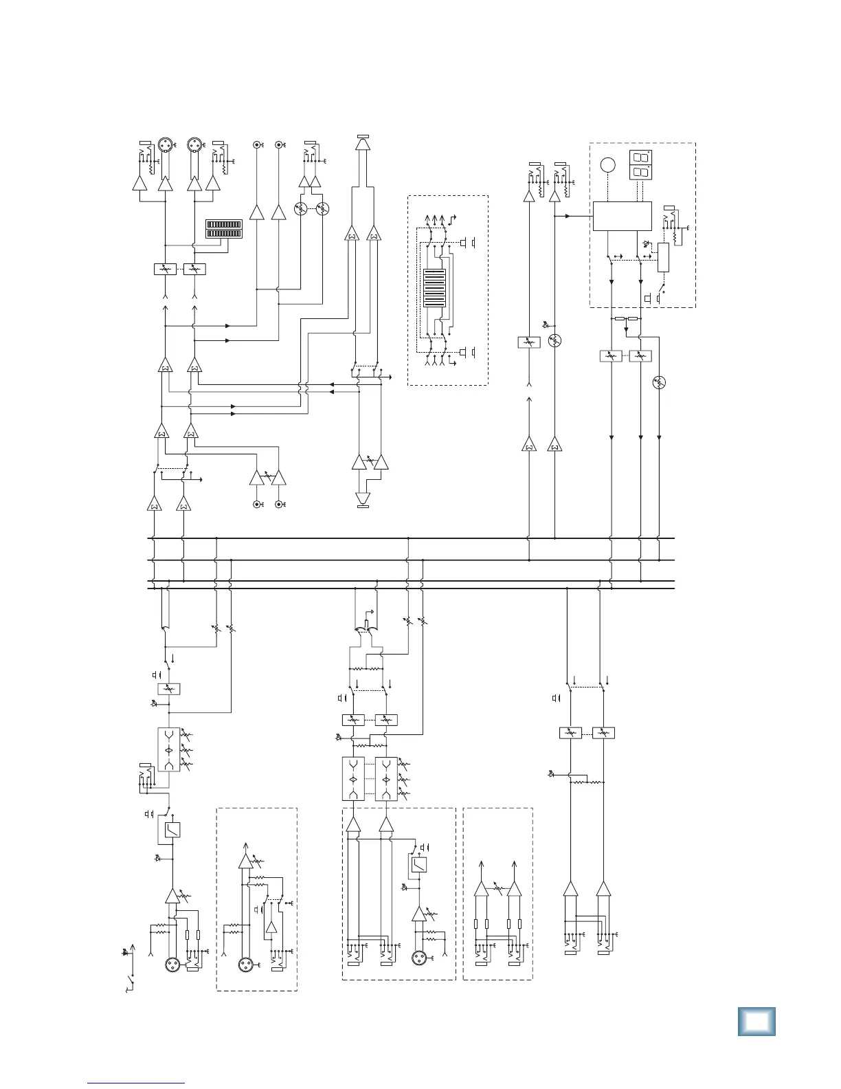
Block Diagram
L
R
Main
Phones
Level
Main Fader
Insert
HPF
Fader
Pan
Left
Right
FX level
Phones
L sum
R sum
Mon (pre)Mon (pre)
3-Band EQ
FX (post)FX (post)
Internal FX
L
R
Stereo Return
L
R
Main
Fader
100 Hz
NOTE: Switches are shown in the default (out) position.
Mute
Main out
48V
Mono
Channels
2-2 ProFX8
2-4 ProFX12
Mic
+
-
Mic: 0 ~ +50dB
Line: -20 ~ +30dB
Hybrid
Channels
3-6 ProFX8
5-8 ProFX12
L
R
3-Band EQ
Fader
Pan
to/from
7-Band
GEQ
Line
Gain
OL (Flicker)
Monitor send
Mon Fader
Preset select
FX
Preset
Display
footswitch
FX Mute
active
FX to Main L/R Fader
OL
Global 48v
Switch/LED
to/from
7-Band EQ
Tape Out
Left
FX
Mon
FX
Mon
Low Cut In
Mic
L
R
Gain
HPF
100 Hz
+
-
Mic Gain:
0 ~ +50dB
Stereo
Channels
7-8 ProFX8
9-12 ProFX12
USB
Out
FX send
FX Bypass
Logic
In
FX
Out L
Out R
FX to Mon
LO
80 2.5K 12K
HIMID
LO
80 2.5K 12K
HIMID
Phantom Power
(To All Mics)
Phantom Power
Phantom
Power
Mute
Mute
OL (Flicker)
LO
80 2.5K 12K
HIMID
Line Gain:
-20 ~ +20 dB
OL (Flicker)
Break
switch
Low Cut In
Level Set
Level Set
Level
USB Thru
Bypass
switch
7-band Stereo
GEQ
Bypass
EQ In
EQ assign
switch
Mon
Mains
Main R
Main L
Mon
Main R
Main L
Mon
Note: When not assigned to EQ, signal is sent to straight through to destination.
Right
Main
Meters
USB Input
Tape Input
L
R
Level
L
R
Mono
Channel
1 ProFX8
1 ProFX12
Mic
+
-
Mic: 0 ~ +50dB
Line: -20 ~ +30dB
Line /
Hi-Z
Gain
Phantom
Power
Line /
Hi-Z

Other manuals for Mackie ProFX8

Related product manuals