EasyManua.ls Logo

Macurco OX-6 - Operation Modes; Alternate Alarm Panel Connection; Power Up Sequence; Normal Operation Display

Macurco OX-6
72 pages
Print Icon
To Next Page IconTo Next Page
To Next Page IconTo Next Page
To Previous Page IconTo Previous Page
To Previous Page IconTo Previous Page
Loading...
11
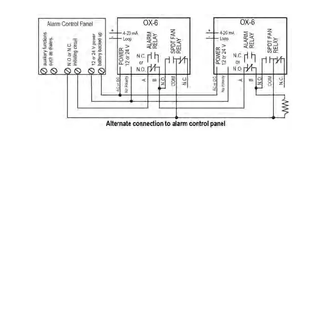
In this application (above) the Fan or primary relay is used as a low level alarm relay. The Alarm or secondary relay is used as a
supervisory relay when utilized in the normally closed configuration. The OX-6 monitors all critical functions of the unit through
software diagnostics that continually test and verify its operations. If a problem is found, the unit will switch to a fail-safe/error mode or
trouble condition. In this error mode the Fan* and Alarm relays will be activated indicating the trouble condition at panel and the OX-6
display will flash the error. *See the Trouble Fan Setting Option.
Power Up
The OX-6 steps through an internal self-test cycle for the first 1 minute that it is powered. The unit will execute the test cycle any time
power is dropped and reapplied (i.e. power failure). During the self-test cycle the unit will display the Firmware Version number and the
gas type, then count down from 60 to 0 (if the display option is “On”) and finally go into normal operation. The alarm relay will be
activated for 10 seconds and the fan relay for 60 seconds during the power-up cycle unless the “Power Up Test” (PUt) option is OFF.
The indicator light (LED) will flash green during the self-test cycle. At the end of the 1 minute cycle, the unit will take its first sample of
the air and the indicator light will turn solid green.
Operation
1. With the display function turned “On”, the OX-6 will show the current concentration of O2 % v/v or “20.9” in normal air. When
the O2 concentration reaches the Fan Relay setting (20.5%, for example) the display will flash back and forth between “FAn”
and “20.5”. With the display function turned ”OFF”, the display does not show the gas concentration, but will show “FAn” as
long as the fan relay is activated.
2. With the display function turned “On” and the O2 concentration reaching the Alarm Relay setting, (19.5%, for example) the
display will flash back and forth between “ALr” and “19.5”. The buzzer will sound indicating “Alarm” if the buzzer is turned “On”.
With the display function turned off the display does not show the O2 concentration, but will show ALr” when the Alarm relay is
activated.

Related product manuals