EasyManua.ls Logo

Macurco RD-6 - Page 11

Macurco RD-6
63 pages
Print Icon
To Next Page IconTo Next Page
To Next Page IconTo Next Page
To Previous Page IconTo Previous Page
To Previous Page IconTo Previous Page
Loading...
Macurco RD-xx User Manual
REV – 1.0 [34-2900-0511-7 ] 11 | Page
Figure 3-6 6-Series DVP-120 Control Panel Diagram
Gas detection and exhaust fan control are provided by the Macurco DVP-120 system. This system will use Macurco gas
transducers. Each transducer will measure the level of the target gas and provide this information to the DVP-120 over a 4-
20mA current loop. The transducers operate on low voltage (24VDC). All power and signal connections for the transducers are
provided from the DVP-120 control panel via unshielded four conductor cable. The DVP-120 control panel provides three relays
which can be used for ventilation, fan control, or alarm signaling. These relays (SPDT-Form C) are for pilot duty only, capable of
switching 10 amps loads up to 240VAC.
Note: Transducer power connections are non-polarized.
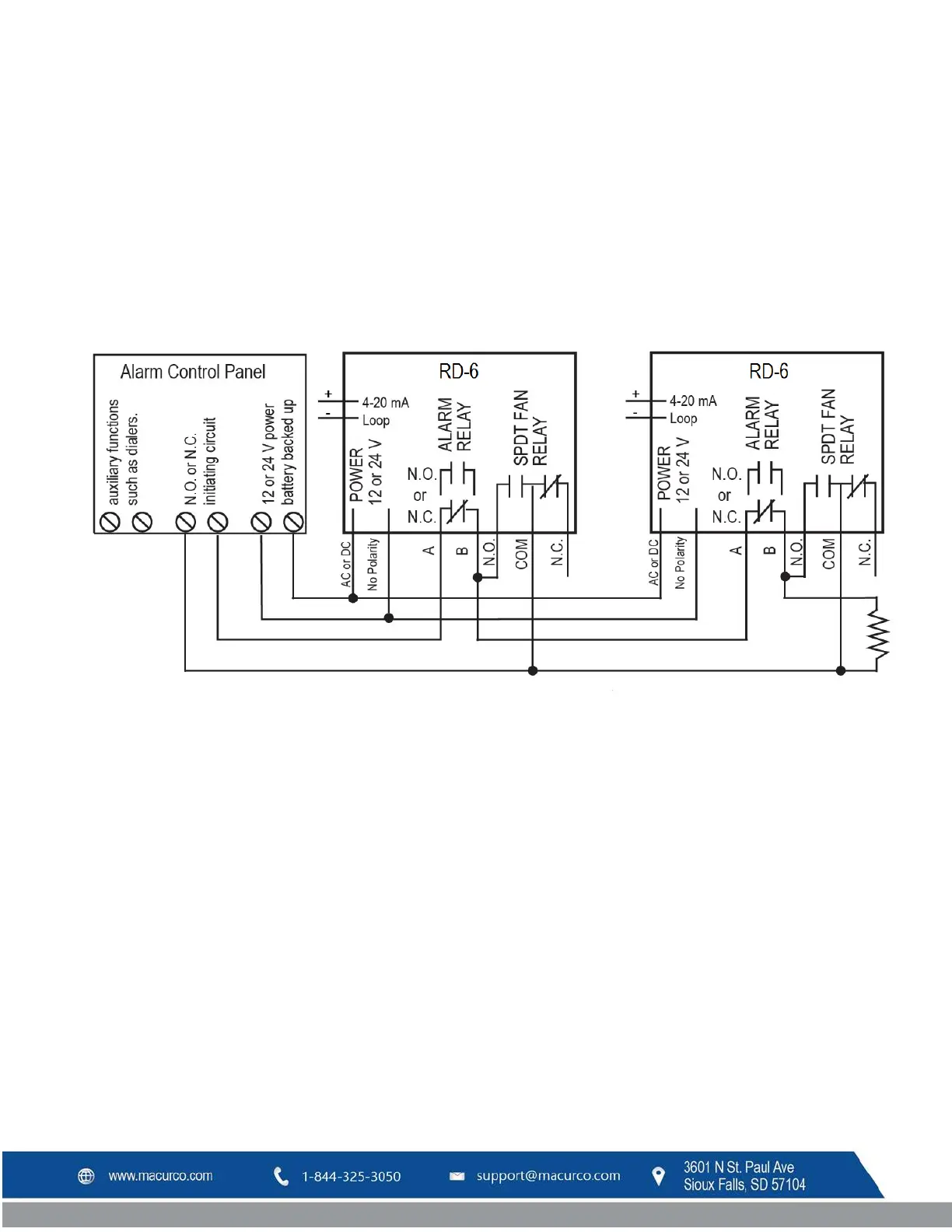
Figure 3-7 6-Series Alternate Alarm Panel
In this application (above) the Fan or primary relay is used as a low-level alarm relay. The Alarm or secondary relay is used as a
supervisory relay when utilized in the normally closed configuration. The RD-6 monitors all critical functions of the unit through
software diagnostics that continually test and verify its operations. If a problem is found, the unit will switch to a fail-safe/error
mode or trouble condition. In this error mode, the Fan* and Alarm relays will be activated indicating the trouble condition at the
panel and the RD-6 display will flash the error. *See the Trouble Fan Setting Option.

Table of Contents

Related product manuals