EasyManua.ls Logo

Macurco RD-6 - Page 46

Macurco RD-6
63 pages
Print Icon
To Next Page IconTo Next Page
To Next Page IconTo Next Page
To Previous Page IconTo Previous Page
To Previous Page IconTo Previous Page
Loading...
Manuel d’instructions du Macurco RD-XX
RÉV1.0 [34-2900-0511-7] 15 | Page
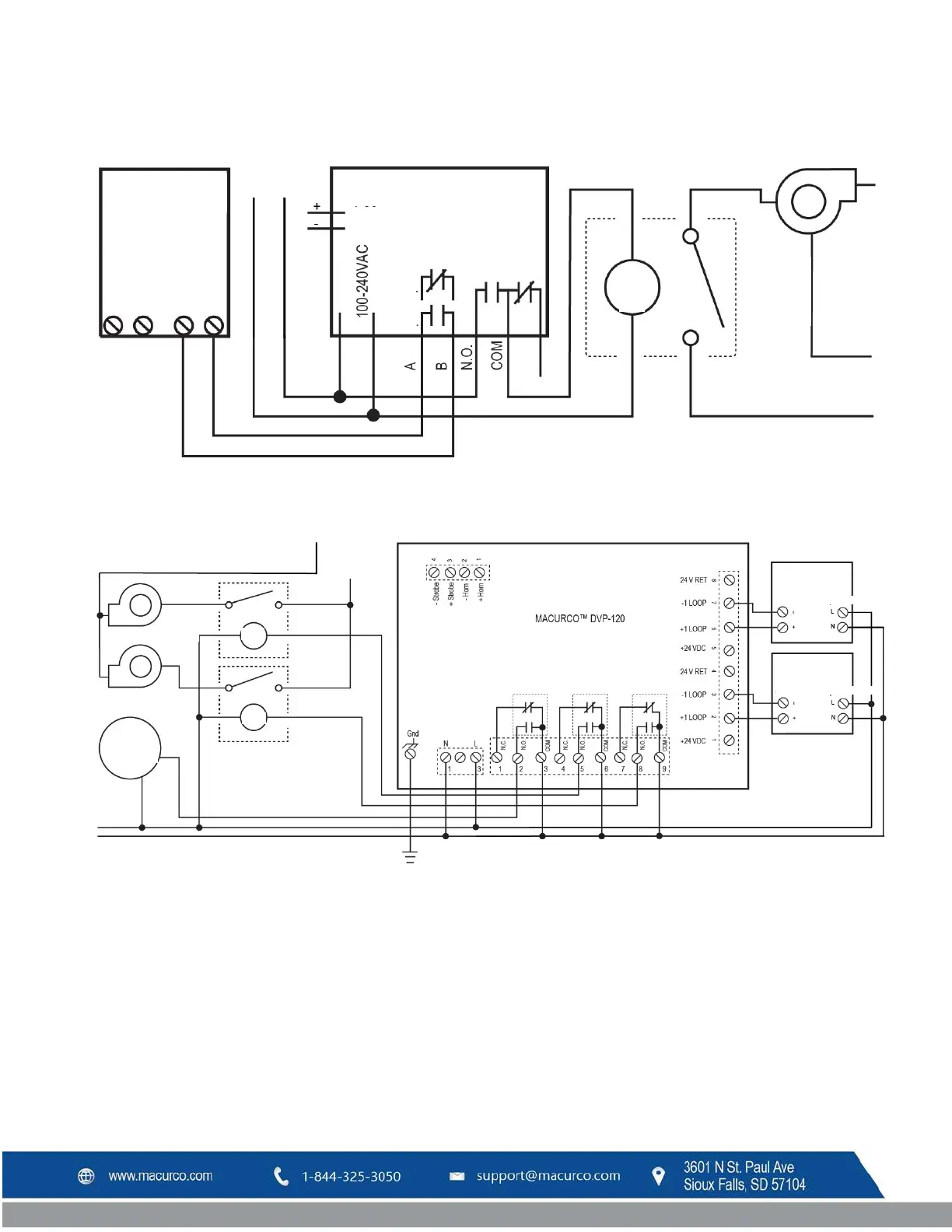
Figure 3-13: Schéma du panneau de commande d’alarme (Série 12)
Figure 3-14: Schéma du panneau de commande DVP-120 (Série 12)
Alimentation principale
du
ventilateur
ALIMENTATION
RELAIS
AVERTISSEUR
Relais ventilateur
SDPT
Ventilateur
d’évacuation
Boucle de courant
4
-20 mA
Fonctions auxiliaires telles
que les composeurs
Circuit de déclenchement
N.O. ou N.F.
Bobine de
relais
110 V CA
Bobine
Panneau de commande
de l'avertisseur
ALIMENTATION
SECTEUR
Alimentation
principale du
ventilateur
Ventilateur d’évacuation
Bobine
Bobine
AVERTISSEUR
120 VCA
Bobines de relais du
démarreur 120 V CA
12 Canaux de sortie
PANNEAU DE COMMANDE DE LA
DÉTECTION ET DE LA VENTILATION
Relais 1
Relais 2
Relais 3
Panneau
ALIMENTATION
120/250 VCA
ALIMENTATION
ALIMENTATION
sortie
sortie
N.F.
N.F.
ou
N.O
.
ALIMENTATION
120 VAC

Table of Contents

Related product manuals