EasyManua.ls Logo

Man L21/31 - Two String Central Cooling Water System

Man L21/31
392 pages
To Next Page IconTo Next Page
To Next Page IconTo Next Page
To Previous Page IconTo Previous Page
To Previous Page IconTo Previous Page
Loading...
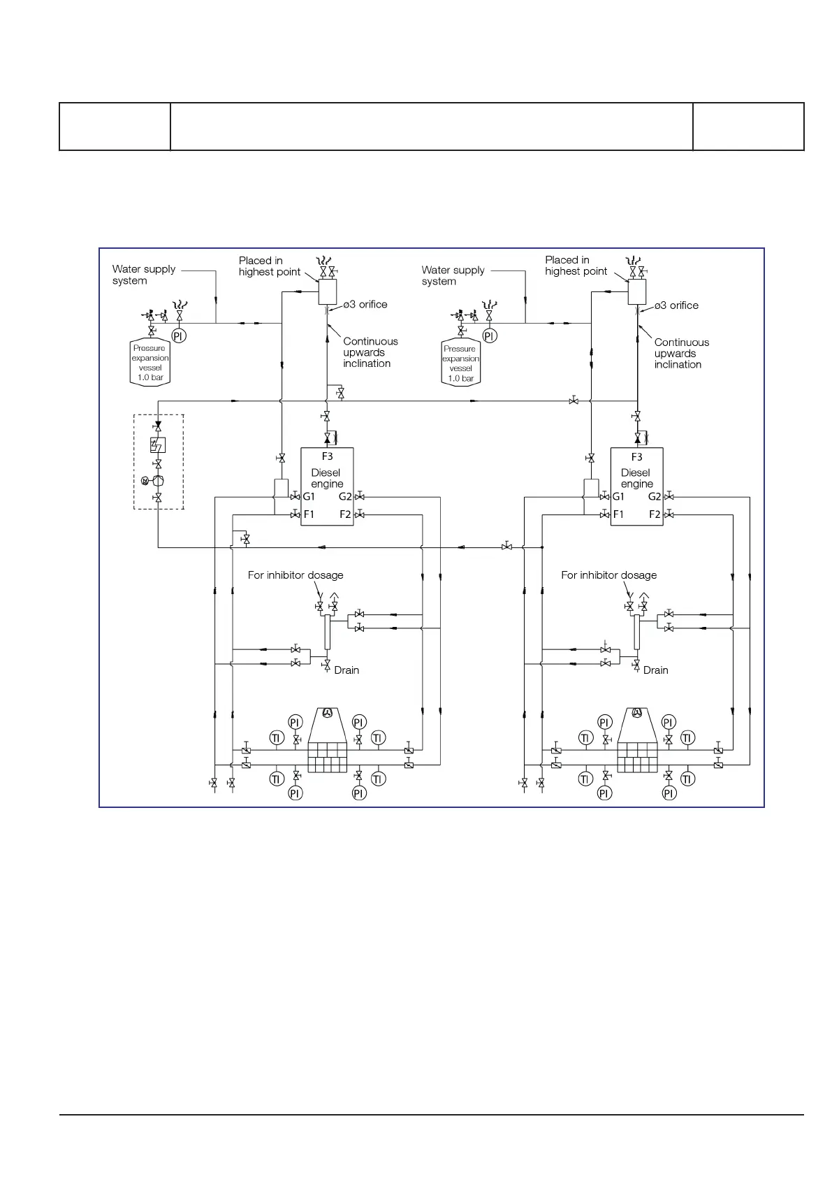
Two string central cooling water system
Figure 1: Central cooling water system.
System design
The cooling water system consists of a two string
cooling water system: a low temperature system
(LT) and a high temperature system (HT).
See also
B 13 00 0 "Internal cooling water system".
Each engine has its own cooling water system with
radiator cooler. The radiator cooler has separate
stages for LT and HT cooling water.
The HT cooling water is used for the cooling of 1.
stage air cooler, cylinder jackets and cylinder heads
and is circulated by the engine built on HT pump.
The LT cooling water is used for the cooling of 2.
stage charge air cooler and lubricating oil and is cir-
culated by the engine built on LT pump.
Preheating
Engines in stand-by position must be preheated.
The preheating shall be adjusted to a temperature
of min. 60°C at the cylinder heads.
Expansion tank and aeration of air
To prevent air accumulation in the HT cooling water
system, air venting tank(s) with automatic aerating
valve(s) is connected to the top of the engine(s).
MAN Diesel & Turbo
1699122-4.1
Page 1 (2)
Two string central cooling water system
B 13 00 6
V28/32S, L28/32S, L23/30S, L21/31S, L16/24S, L27/38S
2018.02.22

Table of Contents

Related product manuals