EasyManua.ls Logo

Manitowoc QD0603W - Installation Instructions - Remote Wiring Diagrams; Remote Electrical Wiring Connections

Manitowoc QD0603W
175 pages
Print Icon
To Next Page IconTo Next Page
To Next Page IconTo Next Page
To Previous Page IconTo Previous Page
To Previous Page IconTo Previous Page
Loading...
Installation Instructions Section 2
2-10 Part No. 80-1100-3
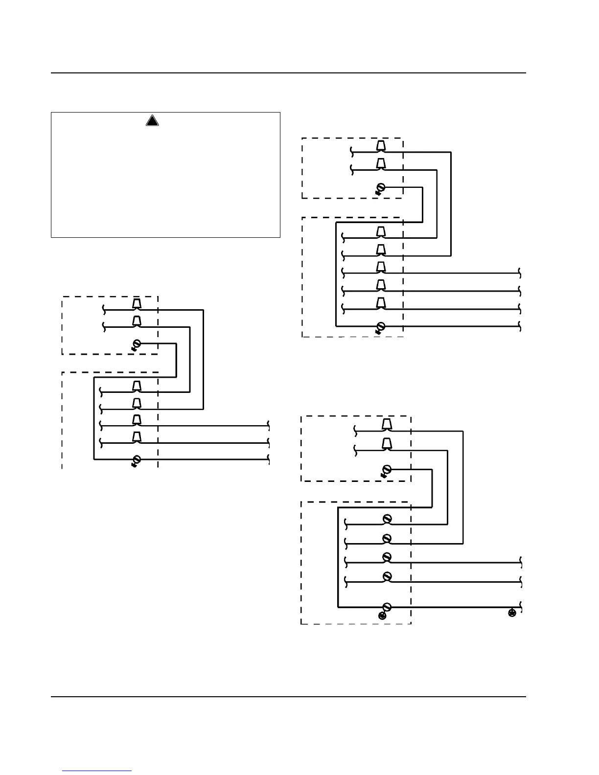
Remote Electrical Wiring Connections
REMOTE ICE MACHINE
WITH SINGLE CIRCUIT MODEL CONDENSER
115/1/60 OR 208-230/1/60
REMOTE ICE MACHINE
WITH SINGLE CIRCUIT MODEL CONDENSER
208-230/3/60 OR 380-415/3/50
REMOTE ICE MACHINE
WITH SINGLE CIRCUIT MODEL CONDENSER
230/1/50
!
Warning
These diagrams are not intended to show proper
wire routing, wire sizing, disconnects, etc., only the
correct wire connections.
All electrical work, including wire routing and
grounding, must conform to local, state and national
electrical codes.
Though wire nuts are shown in the drawings, the ice
machine field wiring connections may use either
wire nuts or screw terminals.
L
1
NOTE:
CONDENSER FAN
MOTOR VOLTAGE
MATCHES ICE
MACHINE
VOLTAGE (115V
OR 208-230V)
GROUND
SINGLE CIRCUIT
REMOTE
CONDENSER
ICE
MACHINE
SV1255
L
2
L
1
L
2
GROUND
TO SEPARATE
FUSE/BREAKER
GROUND
L
1
L
2
F
2
F
1
N=115V OR L2=208-230V
GROUND
ICE
MACHINE
SV1199
L
3
L
1
L
2
GROUND
TO SEPARATE
FUSE/BREAKER
GROUND
L
3
L
1
L
2
F
2
F
1
NOTE: FAN
MOTOR IS
208-230V
L
1
L
2
SINGLE CIRCUIT
REMOTE
CONDENSER
SINGLE CIRCUIT
REMOTE
CONDENSER
L
1
L
2
NOTE: FAN
MOTOR IS
220-240V
L
1
N
F
2
F
1
ICE
MACHINE
GROUND
L
1
N
GROUND
TO SEPARATE
FUSE/BREAKER
(220-240).
DISCONNECT ALL
POLES.
SV1256

Table of Contents

Other manuals for Manitowoc QD0603W

Related product manuals