EasyManua.ls Logo

Manitowoc QD1302A - Section 6 Electrical System; Q1300;Q1800 - SELF CONTAINED - 3 PHASE WITH TERMINAL BOARD

Manitowoc QD1302A
175 pages
Print Icon
To Next Page IconTo Next Page
To Next Page IconTo Next Page
To Previous Page IconTo Previous Page
To Previous Page IconTo Previous Page
Loading...
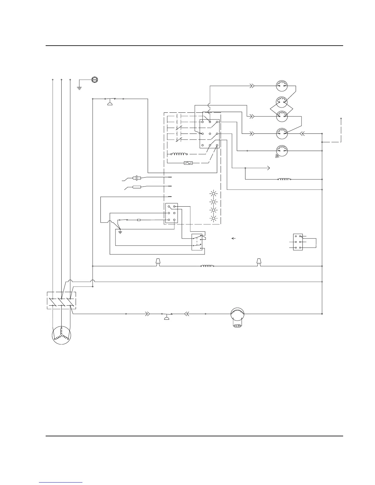
Section 6 Electrical System
Part No. 80-1100-3 6-27
Q1300/Q1800 - SELF CONTAINED - 3 PHASE WITH TERMINAL BOARD
TB31
TB37
(77)
(76)
(98)
(74)
(59)
(73)
(99)
(85)
(86)
(75)
LH HARVEST
SOLENOID
DUMP
SOLENOID
(81)
(80)
WATER
PUMP
TB30
TB30
TB30
CONTACTOR
COIL
TB30
TB30
FAN CYCLE CONTROL
FAN MOTOR
(AIR COOLED ONLY)
RUN CAPACITOR**
SEE SERIAL PLATE FOR VOLTAGE
CAUTION: DISCONNECT POWER BEFORE WORKING
ON ELECTRICAL CIRCUITRY.
DIAGRAM SHOWN DURING FREEZE CYCLE
TERMINATES AT
PIN CONNECTION
(61)
(60)
(57)
(58)
1F
1C
4
1
3
5
FUSE (7A)
TRANS.
(56)
ICE THICKNESS PROBE
TB30
BIN SWITCH LIGHT
HARVEST LIGHT/
SAFETY LIMIT CODE LIGHT
TB32
TB35
TB34
(53)
TB33
(52)
HIGH PRES
CUTOUT
TB35
CRANKCASE HEATER
(94)
(95)
L1
(96)
(42)
COMPRESSOR
L3 L2 L1
L2
L
3
TB35
T2
T3
T1
(55)
LOW D.C.
VOLTAGE
PLUG
(64)
(63)
BIN SWITCH
(62)
(66)
(65)
(69)
(67)
(68)
TOGGLE SWITCH
68
67
69
66
62
ICE
OFF
CLEAN
(66)
(62)
VIEW FOR WIRING
INTERNAL WORKING
VIEW
N - 50H
Z
ONLY
TB30
NOTE: WIRE (96) IS NOT USED ON 50HZ
TB30
CLEAN LIGHT
WATER LEVEL LIGHT
2
WATER
VALVE
(21)
(22)
(87)
(88)
RH HARVEST
SOLENOID
1G
AUCS DISPENSE TIME
WATER LEVEL PROBE
(20)
SV1653

Table of Contents

Other manuals for Manitowoc QD1302A

Related product manuals