EasyManua.ls Logo

Manitowoc QD1392N - Q420;Q450;Q600;Q800;Q1000 - SELF CONTAINED - 1 PHASE WITH TERMINAL BOARD

Manitowoc QD1392N
175 pages
Print Icon
To Next Page IconTo Next Page
To Next Page IconTo Next Page
To Previous Page IconTo Previous Page
To Previous Page IconTo Previous Page
Loading...
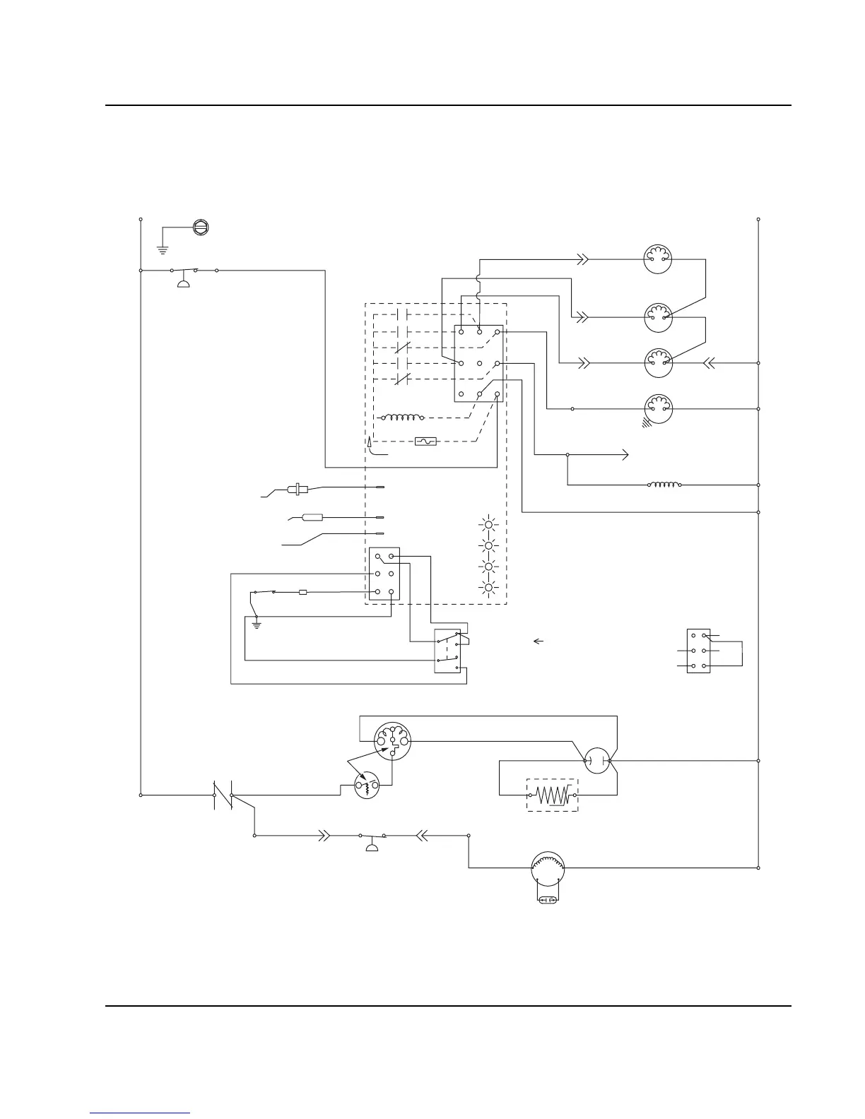
Section 6 Electrical System
Part No. 80-1100-3 6-21
Q420/Q450/Q600/Q800/Q1000 - SELF CONTAINED -
1 PHASE WITH TERMINAL BOARD
R
R
C
S
R
TB31
TB37
TB32
T
B35
L1
TB34
*OVERLOAD
(53)
TB33
(52)
(51)
(48)
(45)
(46) (50)
(49)
(47)
(55)
(61)
(21)
(76)
(60)
(98)
(57)
(74)
(58)
(59)
(73)
(99)
(85) (86)
1F
1C
4
1
3
5
FUSE (7A)
TRANS.
(56)
ICE THICKNESS PROBE
(75)
HARVEST
SOLENOID
DUMP
SOLENOID
(81)
(22)
WATER
PUMP
TB30
TB30
TB30
TB30
CONTACTOR
COIL
HIGH PRES
CUTOUT
BIN SWITCH LIGHT
HARVEST LIGHT/
SAFETY LIMIT CODE LIGHT
LOW D.C.
VOLTAGE
PLUG
TB35
TB3
0
CONTACTOR
CONTACTS
L1
(42)
COMPRESSOR
RUN CAPACITOR
FAN CYCLE CONTROL
FAN MOTOR
(AIR COOLED ONLY)
RUN CAPACITOR**
L2 (N)
SEE SERIAL PLATE FOR VOLTAGE
CAUTION: DISCONNECT POWER BEFORE WORKING
ON ELECTRICAL CIRCUITRY.
DIAGRAM SHOWN DURING FREEZE CYCLE
TERMINATES AT
PIN CONNECTION
PTCR
TB3
0
(64)
(63)
BIN SWITCH
(62)
(66)
(65)
(69)
(67)
(68)
TOGGLE SWITCH
68
67
69
66
62
ICE
OFF
CLEAN
(66)
(62)
VIEW FOR WIRING
INTERNAL WORKING
VIEW
CLEAN LIGHT
WATER LEVEL LIGHT
WATER LEVEL PROBE
(77)
(80)
WATER
VALVE
2
1G
NOT USED
(20)
SV1646

Table of Contents

Other manuals for Manitowoc QD1392N

Related product manuals