EasyManua.ls Logo

Manitowoc QD1892N - Page 63

Manitowoc QD1892N
175 pages
Print Icon
To Next Page IconTo Next Page
To Next Page IconTo Next Page
To Previous Page IconTo Previous Page
To Previous Page IconTo Previous Page
Loading...
Section 6 Electrical System
Part No. 80-1100-3 6-7
Harvest Sequence
5. WATER PURGE
The water pump continues to run,
and the water dump valve energizes
for 45 seconds to purge the water in
the sump trough. The water fill valve
energizes (turns on) and de-
energizes (turns off) strictly by time.
The water fill valve energizes for the
last 15 seconds of the 45-second
water purge. The water purge must
be at the factory setting of 45
seconds for the fill valve to energize
during the last 15 seconds of the
Water Purge. If set at less than 45
seconds, the water fill valve does not
energize during the water purge.
After the 45 second water purge, the
water fill valve, water pump and
dump valve de-energize. (Refer to
“Water Purge Adjustment” on Page
3-3 for details.) The harvest valve
also opens at the beginning of the
water purge to divert hot refrigerant
gas into the evaporator.
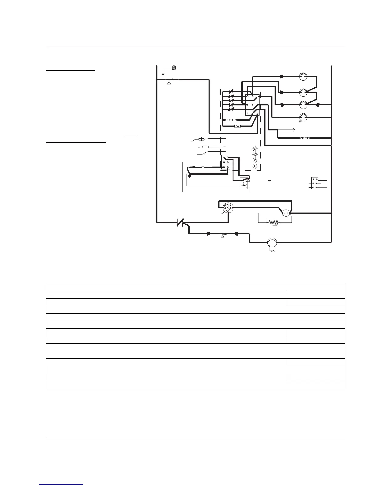
Figure 6-5.
Self-Contained — Water Purge
Table 6-5. Self-Contained Models
5. Water Purge (45 Seconds)
Toggle Switch ICE
Bin Switch Closed
Control Board Relays
#1 Water Pump Closed / ON
#2 Water Fill Valve Cycles OFF then ON
#3 Harvest Solenoid Closed / ON
#4 Water Dump Valve Closed / ON
#5 Contactor Coil Closed / ON
Compressor ON
Condenser Fan Motor ON
Safety Controls (Which could stop ice machine operation)
High Pressure Cut-Out Closed
Main Fuse (On Control Board) Closed
*OVERLOAD
FAN CYCLE CONTROL
BIN SWITCH
TB35
TB33
(52)
(51)
(48)
CONTACTOR
CONTACTS
L1
(42)
(66)
(64)
ICE THICKNESS PROBE
WATER LEVEL PROBE
NOT USED
T
B35
HIGH PRES
CUTOUT
TB32
L1
(55)
RUN CAPACITOR
RUN CAPACITOR**
C
S
R
TB34
(53)
(47)
(85) (86)
COMPRESSOR
FAN MOTOR
(AIR COOLED ONLY)
R
R
(45)
(46) (50)
PTCR
BIN SWITCH LIGHT
HARVEST LIGHT/
SAFETY LIMIT CODE LIGHT
CLEAN LIGHT
WATER LEVEL
(49)
(63)
(62)
(66)
(65)
(69)
ICE
OFF
CLEAN
(67)
(68)
1F
1C
LOW D.C.
VOLTAGE
PLUG
(62)
1G
TOGGLE SWITCH
68
67
69
66
62
VIEW FOR WIRING
INTERNAL WORKING
VIEW
TB37
(74)
(59)
(73)
(56)
CONTACTOR
COIL
TERMINATES AT
PIN CONNECTION
TB3
0
TB3
0
TB30
TB30
L2 (N)
SEE SERIAL PLATE FOR VOLTAGE
(58)
FUSE (7A)
TRANS.
2
4
1
3
5
(61)
(60)
TB31
(76)
(98)
(57)
(99)
(75)
HARVEST
SOLENOID
DUMP
SOLENOID
(81)
WATER
PUMP
(77)
(80)
(21)
WATER
VALVE
(22)
TB30
TB30
(20)
SV1646-5

Table of Contents

Other manuals for Manitowoc QD1892N

Related product manuals