EasyManua.ls Logo

Manitowoc QY0454A - Page 65

Manitowoc QY0454A
175 pages
Print Icon
To Next Page IconTo Next Page
To Next Page IconTo Next Page
To Previous Page IconTo Previous Page
To Previous Page IconTo Previous Page
Loading...
Section 6 Electrical System
Part No. 80-1100-3 6-9
Automatic Shut-Off
7. AUTOMATIC SHUT-OFF
If the storage bin is full at the end of a
harvest cycle, the sheet of cubes fails
to clear the water curtain and holds it
open. After the water curtain is held
open for 7 seconds, the ice machine
shuts off.
The ice machine remains off until
enough ice is removed from the
storage bin to allow the sheet of
cubes to drop clear of the water
curtain. As the water curtain swings
back to the operating position, the bin
switch closes and the ice machine
restarts (steps 1-2).
NOTE: The ice machine must remain
off for 3 minutes before it can
automatically restart.
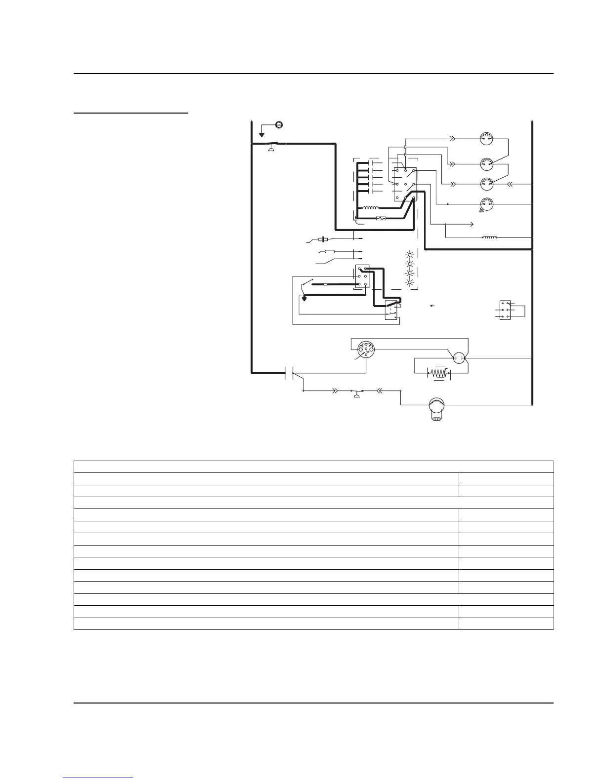
Figure 6-7. Self-Contained — Automatic Shut-Off
Table 6-7. Self-Contained Models
7. Automatic Shut-Off (Until Bin Switch Closes)
Toggle Switch ICE
Bin Switch Open
Control Board Relays
#1 Water Pump Open / OFF
#2 Water Fill Valve Open / OFF
#3 Harvest Solenoid Open / OFF
#4 Water Dump Valve Open / OFF
#5 Contactor Coil Open / OFF
Compressor OFF
Condenser Fan Motor OFF
Safety Controls (Which could stop ice machine operation)
High Pressure Cut-Out Closed
Main Fuse (On Control Board) Closed
*OVERLOAD
FAN CYCLE CONTROL
BIN SWITCH
TB35
TB33
(52)
(48)
CONTACTOR
CONTACTS
L1
(42)
(51)
(64)
(66)
ICE THICKNESS PROBE
WATER LEVEL PROBE
NOT USED
T
B35
HIGH PRES
CUTOUT
TB32
L1
(55)
TB3
0
RUN CAPACITOR
RUN CAPACITOR**
S
R
TB34
(47)
(86)
COMPRESSOR
C
(53)
(85)
FAN MOTOR
(AIR COOLED ONLY)
R
R
(45)
(46) (50)
PTCR
BIN SWITCH LIGHT
HARVEST LIGHT/
SAFETY LIMIT CODE LIGHT
CLEAN LIGHT
WATER LEVEL
(49)
(63)
(62)
(66)
(65)
(69)
(67)
ICE
OFF
CLEAN
(68)
1F
1C
LOW D.C.
VOLTAGE
PLUG
(62)
1G
TOGGLE SWITCH
68
67
69
66
62
VIEW FOR WIRING
INTERNAL WORKING
VIEW
TB37
(74)
(59)
(73)
(56)
CONTACTOR
COIL
TERMINATES AT
PIN CONNECTION
TB3
0
TB30
TB30
L2 (N)
SEE SERIAL PLATE FOR VOLTAGE
(58)
4
1
3
5
FUSE (7A)
TRANS.
2
(61)
(60)
TB31
(76)
(98)
(57)
(99)
(75)
HARVEST
SOLENOID
DUMP
SOLENOID
(81)
WATER
PUMP
(77)
(80)
(21)
(22)
WATER
VALVE
TB30
TB30
(20)
SV1646-7

Table of Contents

Other manuals for Manitowoc QY0454A

Related product manuals