EasyManua.ls Logo

Manitowoc QY0454A - Q1300;Q1600;Q1800 - Self Contained - 3 Phase Without Terminal Board

Manitowoc QY0454A
175 pages
Print Icon
To Next Page IconTo Next Page
To Next Page IconTo Next Page
To Previous Page IconTo Previous Page
To Previous Page IconTo Previous Page
Loading...
Electrical System Section 6
6-28 Part No. 80-1100-3
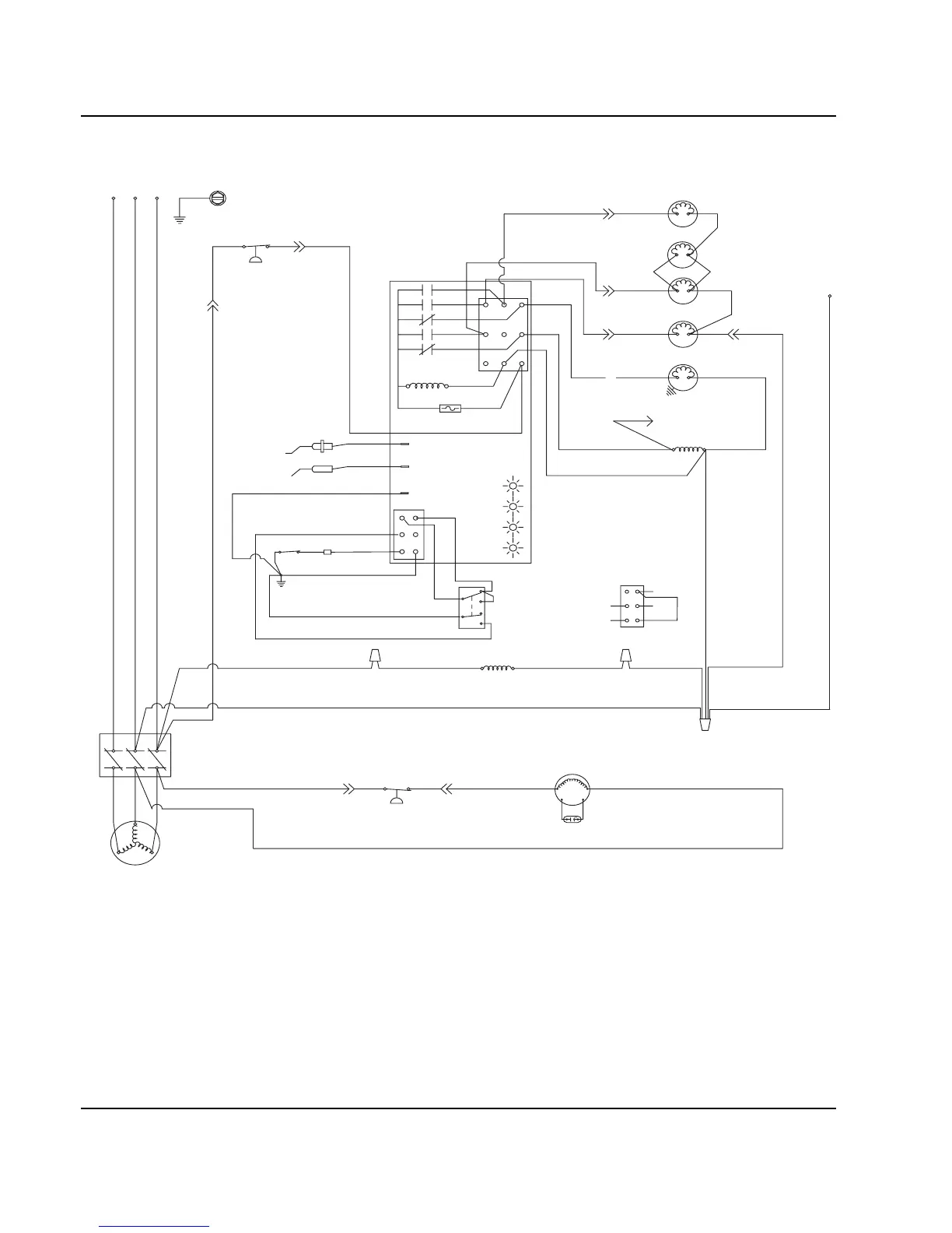
Q1300/Q1600/Q1800 - SELF CONTAINED - 3 PHASE WITHOUT TERMINAL BOARD
(77)
(76)
(98) (99)
(85)
(86)
(75)
LH HARVEST
SOLENOID
DUMP
SOLENOID
(81)
(80)
WATER
PUMP
CONTACTOR
COIL
FAN CYCLE CONTROL
FAN MOTOR
(AIR COOLED ONLY)
RUN CAPACITOR**
SEE SERIAL PLATE FOR VOLTAGE
CAUTION: DISCONNECT POWER BEFORE WORKING
ON ELECTRICAL CIRCUITRY.
DIAGRAM SHOWN DURING FREEZE CYCLE
TERMINATES AT
PIN CONNECTION
(61)
(60)
(57)
(59)
(58)
1F
1C
4
2
1
5
FUSE (7A)
TRANS.
(56)
ICE THICKNESS PROBE
BIN SWITCH LIGHT
HARVEST LIGHT/
SAFETY LIMIT CODE LIGHT
(51)
HIGH PRES
CUTOUT
CRANKCASE HEATER
(94)
(95)
CONTACTOR
CONTACTS
L1
(96)
COMPRESSOR
L3 L2 L1
L2L3
T2
T3
T1
LOW D.C.
VOLTAGE
PLUG
(64)
(88)
(89) (55)
(42)
(63)
BIN SWITCH
(62)
(65)
(69)
(67)
(68)
TOGGLE SWITCH
68
67
69
66
62
ICE
OFF
CLEAN
(66)
(62)
VIEW FOR WIRING
N - 50H
Z
ONLY
NOTE: WIRE (96) IS NOT USED ON 50HZ
CLEAN LIGHT
WATER LEVEL LIGHT
3
WATER
VALVE
(21)(20)
(22)
(87)
RH HARVEST
SOLENOID
1G
AUCS DISPENSE TIME
WATER LEVEL PROBE
(88)
SV3008

Table of Contents

Other manuals for Manitowoc QY0454A

Related product manuals