EasyManua.ls Logo

Manitowoc QY1304A - Q280;Q370 - Self Contained - 1 Phase Without Terminal Board

Manitowoc QY1304A
175 pages
Print Icon
To Next Page IconTo Next Page
To Next Page IconTo Next Page
To Previous Page IconTo Previous Page
To Previous Page IconTo Previous Page
Loading...
Section 6 Electrical System
Part No. 80-1100-3 6-19
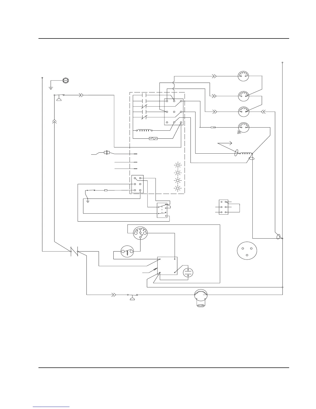
Q280/Q370 - SELF CONTAINED - 1 PHASE WITHOUT TERMINAL BOARD
5
2
1
4
START
CAPACITOR
POTENTIAL
RELAY
C
S
R
COMPRESSOR
TERMINAL LAYOUT
VIEWED FROM END
OF COMPRESSOR
CAUTION: DISCONNECT POWER BEFORE WORKING
ON ELECTRICAL CIRCUITRY.
DIAGRAM SHOWN DURING FREEZE CYCLE
SAFETY LIMIT CODE LIGHT
HARVEST LIGHT/
WATER LEVEL
CLEAN LIGHT
BIN SWITCH LIGHT
CLEAN
OFF
ICE
(68)
(69)
(62)
(49)
(47)
COMPRESSOR
OVERLOAD INTERNAL
{230V 50/60 HZ}
R
C
S
(86)(85)
(51)
(48)
CONTACTOR
CONTACTS
(42)
L1
FAN CYCLE CONTROL
RUN CAPACITOR**
FAN MOTOR
(AIR COOLED ONLY)
(50)
62
66
VIEW FOR
WIRING
67
68
69
SEE SERIAL PLATE FOR VOLTAGE
L2 (N)
(74)
TERMINATES AT
PIN CONNECTION
(59)
(58)
(56)
(98)
DUMP
SOLENOID
(57)
(81)
(99)
(75)
(80)
(76)
HARVEST
SOLENOID
(77)
WATER
VALVE
(21)
(22)
(60)
(61)
(55)
HIGH PRES
CUTOUT
L
1
WATER LEVEL PROBE
NOT USED
ICE THICKNESS PROBE
LOW D.C.
VOLTAGE
PLUG
1G
1F
1C
BIN SWITCH
(64)
(66)
(66)
(67)
(63)
(62)
CONTACTOR
COIL
WATER
PUMP
FUSE (7A)
TRANS.
5
3
1
4
2
(65)
(89)
(88)
(20)
(46)
(44)
(45)
SV3018

Table of Contents

Other manuals for Manitowoc QY1304A

Related product manuals