EasyManua.ls Logo

Marantz 75DC1010/1B - Connection Diagram

Marantz 75DC1010/1B
31 pages
Print Icon
To Next Page IconTo Next Page
To Next Page IconTo Next Page
To Previous Page IconTo Previous Page
To Previous Page IconTo Previous Page
Loading...
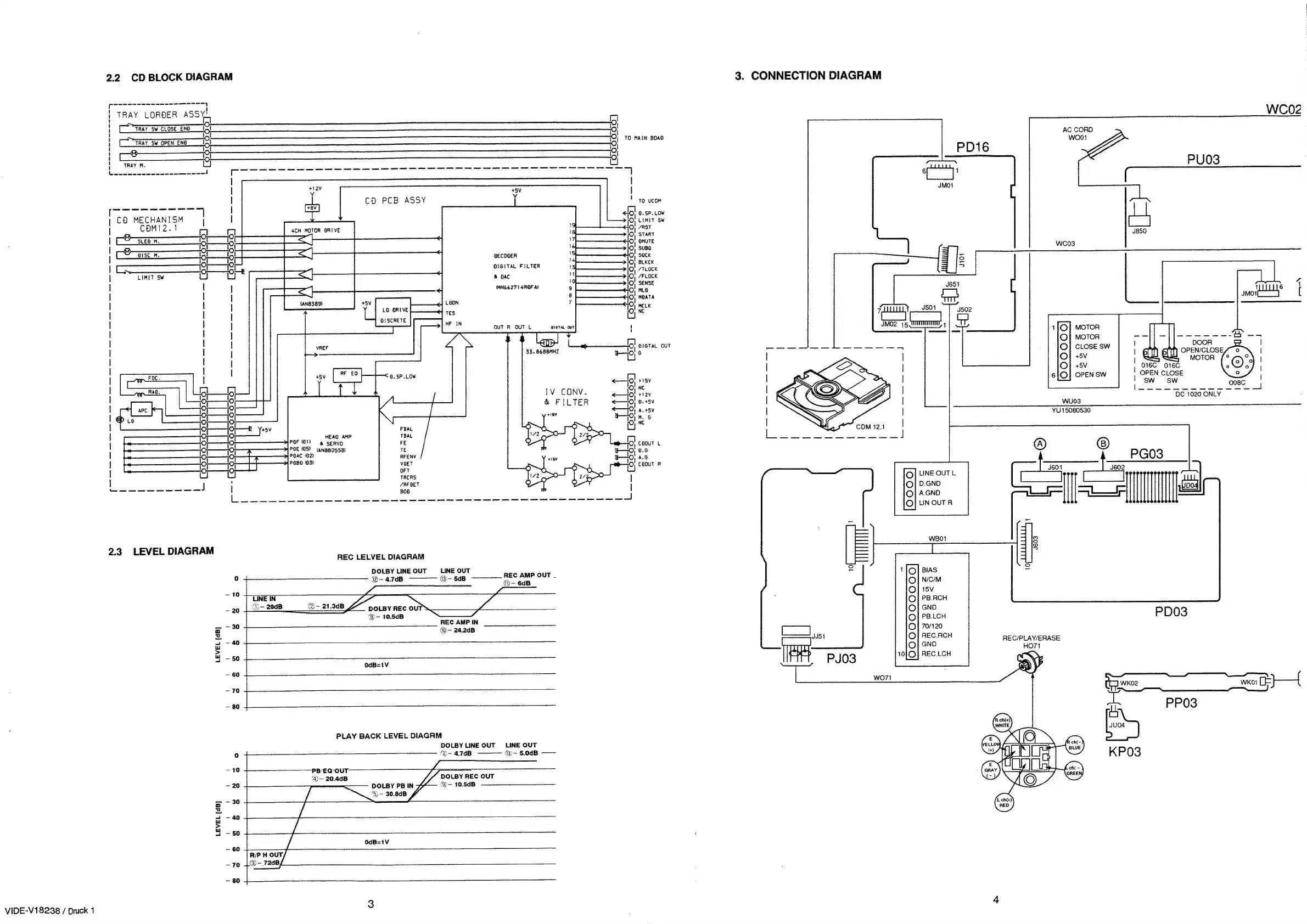
2.2
CD
BLOCK
DIAGRAM
|
{2)
TO
MAIN
BOAB
TO
UCOM
dl
0.S5P.LOW
i2;
LIMIT
SW
©,
/RST
70)
START
10}
oMUTE
iQ;
SuB0
70;
Sock
12
BLKCK
7Q)
Teock
/FLOCK
jQ)
SENSE
©,
MLO
15}
MOATA
n=)
MCLK
'
CQ
MECHANISM
Z
COM12.1
rn
SLED
M.
[
8
HiSC_M.
5
5
2
aera
oO
oOo
vU
fon)
ow
>
wn
w
~<
DECODER
DIGITAL
FILTER
&
DAC
(MN6627
1
4ROF
A)
3
:
LIMIT
Sw
7,
NC
uO
OUT
R
OUT
L
DIETAL
OUT
ap
a
eereeranenl
BIGTAL
OUT
6
33.
8688MHZ
yo!
y]-----------
&
p=]
IV
CONV.
lol
sizy
&
FILTER
<—O)
0.
45V
ots
3
0;
ers
bao
Tee
a
TBAL
0
O
b
O
FE
Y
O}
caouT
L
HEAD
AMP
POF
(81)
4
servo
ea
POAC
«
2.3
LEVEL
DIAGRAM
REC
LELVEL
DIAGRAM
DOLBY
LINE
OUT
_LINE
OUT
@-
4.7dB
@-
5dB
ge
een
te
©-
10.5dB
REC
AMP
OUT
_
@-—
6dB
or
shee
@-
21.3dB
REC
AMP
IN
-30
2
g
@-
24.24B
7
-
40
Ww
Fr
iu
_
50
-
60
-70
-
80
PLAY
BACK
LEVEL
DIAGRM
DOLBY
LINE
OUT
LINE
OUT
Ps
-
4.708
%-
5.0dB
——
10
PB-EQ-OUT
@®—
20.4dB
DOLBY
REC
OUT
ao
DOLBY
PB
IN
@~
10.5dB
%;~
30.8dB
ied
30
3,
4
-
40
Wi
>
4-50
60
—70
80
VIDE-V18238
/
Druck
1
3.
CONNECTION
DIAGRAM
WC02
AC
CORD
woo!
1JO]
MOTOR
Of|
motoR
|
--||1-||-----7-
O]
CLOSE
sw
O}]
+5V
chet
Cast
O}
+5V
016C
016C
6{O}
OPEN
SW
OPEN
CLOSE
DC
1020
ONLY
WuU03
YU15080530
LINE
OUTL
D.GND
A.GND
LIN
OUT
R
O000
_
BIAS
N/C/M
15V
PB.RCH
GND
PB.LCH
70/120
REC.RCH
GND
REC.LCH
PDO3
REC/PLAY/ERASE
HO71
OQOO0000000

Related product manuals