EasyManua.ls Logo

Marantz 75DC1010/1B - Page 7

Marantz 75DC1010/1B
31 pages
Print Icon
To Next Page IconTo Next Page
To Next Page IconTo Next Page
To Previous Page IconTo Previous Page
To Previous Page IconTo Previous Page
Loading...
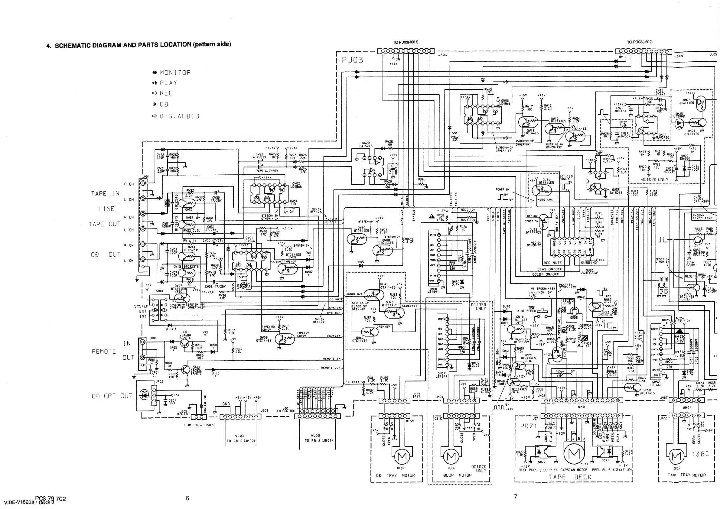
4.
SCHEMATIC
DIAGRAM
AND
PARTS
LOCATION
(pattern
side)
TO
PDO3(J601)
TO
PDO3(J602)
PUQS
ee
ae
J605
1008
MONITOR
a
PLAY
o>
REC
»
CO
2
D1G.AUdIO
Mes
OUBBING:0V
OTHER:
ISV
DUBBING:
0V
OTHER:
15V
CW26
W222;
4.7/50V
10K
ae
ox
f
Cw25
4.7/50V
R
CH
TAPE
IN
L
CH
LINE
R
CH
+15¥
i
TAPE
OUT
STSTEM:
8V
L
CH
A
7
ATEN
eaeS
Bw08
i
ee
es
eae
Qwot
STSTEM:0V
RWig
1K
CWO4
47725V
C4966
:
|
&
R
CH
+
gwgg
STSTEM:
OV
SaaN
3
cA
OUT
rN
atc
14ses
2WO!
*
ROO
sod
Cy
;
wos
r
|
2
Fy
C1
RESET
=0
e—
|
A]
vw
OTHER
:S'
47K
ene
OO
we
oe
Pu
fell
Wee
acta
tae
eon
ce
50
g
w
.
«iM
c—
3
ir)
es
:
ote
;
by
-12V
Oc
eC
PCA
ETC
FG
GR
SPR
EA
OY
epee
Le
DC
1020
Cw
ONLY
ie
2982010
ov
PLAY:
0V
wo
OTHER:
SV
ala
IN
a
REMOTE
a
OUT
eal
|
|
Fal
Fy
ave
a
A
VET
pete
|
|
UG
ane
OK
:
aa
a
Le
Tero1
M
=
oe
RU8!
—RUBO
Bled
i
RUS
me
Co
TRAY
Sw
3
38k
:
Buse
H
++}
1.5K
RUS4
=RUZS
+5y
H
*SV
WW
:
OMsé
fe
eae
|
Cl
LBI64I
sv
3.3K
2.2K
298
BURP
pugs
|
gi
ises
SRB
ya
iths
CH
OPT OUT
fe)
3
45V
412V
415V
ee
ep
:
7
i
m~——-
[00000]——+—-
(600060)
-—
—F-—--—~+
O08
]————
=
=
:
:
sv
2
aml
J803
co
UbRtROL
[TOOIOIOIOIOIOL]
Pte
JO1l—-TO0000*
OC
———-
[00000000]
_
:
_
_-
COG)
—-
Bouooe.
1]
———~
[EQ8Qooos
~
[poo
ah
7
H
r
iS
|
FOM
PO16
(J502)
|
|:
|
3
|
|
lena
[i
|
ail
|
wCO3
wu03
we
i
TO
POIS
(uMO2)
TO
POI6
(SOT)
|
8
|:
|
|
|
|
¢
|
|
|
|
|
|
|
lee
|
70
fe
| |
|
|:
|
|
|
|
|
O10N
| |
-12
am,
|
eC
|
|
|
:
|
REEL
PULS
B(SUPPLY)
CAPSTAN
MOTOR
REEL
PULS
A
(TAKE
a
|
|
CH
TRAY
MOTOR
i
T
AP
TAPE
TRAY
MOTOR
ea
cea
ag
toma
eae
stemeenrs
ereenener
osc
Se
ae
J
Pe
chee
P
7
VIDE-V18238
/
GS.
q
702
6

Related product manuals