EasyManua.ls Logo

Marantz CD6002/F - Logic ICs: TC74 LS628

Marantz CD6002/F
54 pages
Print Icon
To Next Page IconTo Next Page
To Next Page IconTo Next Page
To Previous Page IconTo Previous Page
To Previous Page IconTo Previous Page
Loading...
50
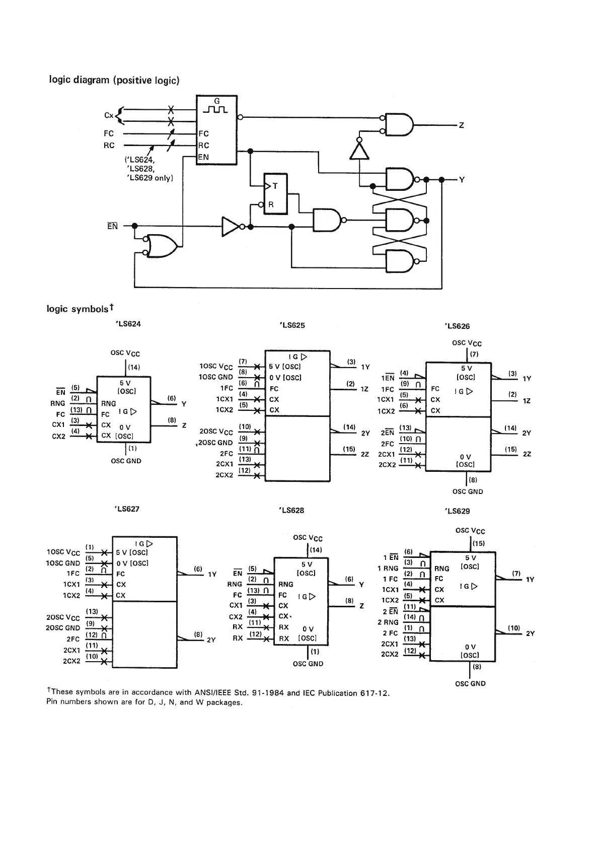
IC48 : TC74LS628

Related product manuals