EasyManua.ls Logo

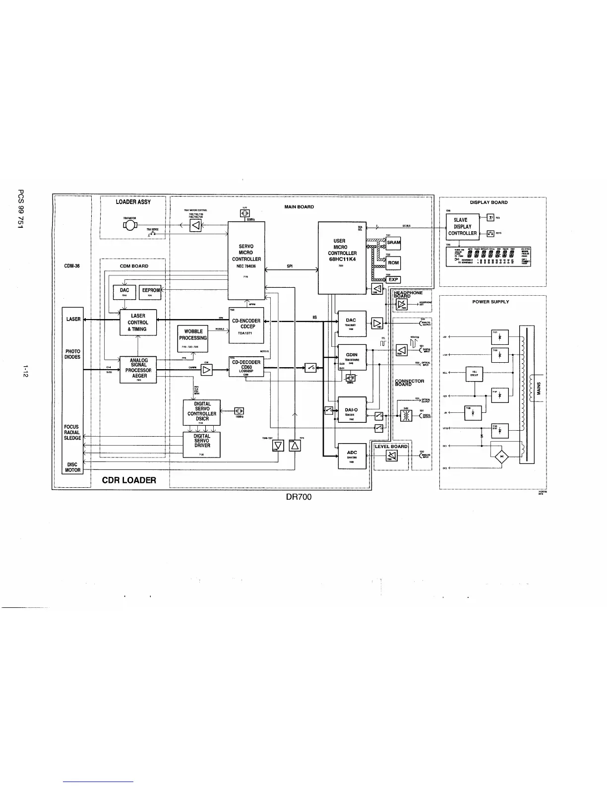
Marantz DR700 - Block Diagrams; DR700 System Architecture

Marantz DR700
52 pages
Print Icon
To Next Page IconTo Next Page
To Next Page IconTo Next Page
To Previous Page IconTo Previous Page
To Previous Page IconTo Previous Page
Loading...

Related product manuals