EasyManua.ls Logo

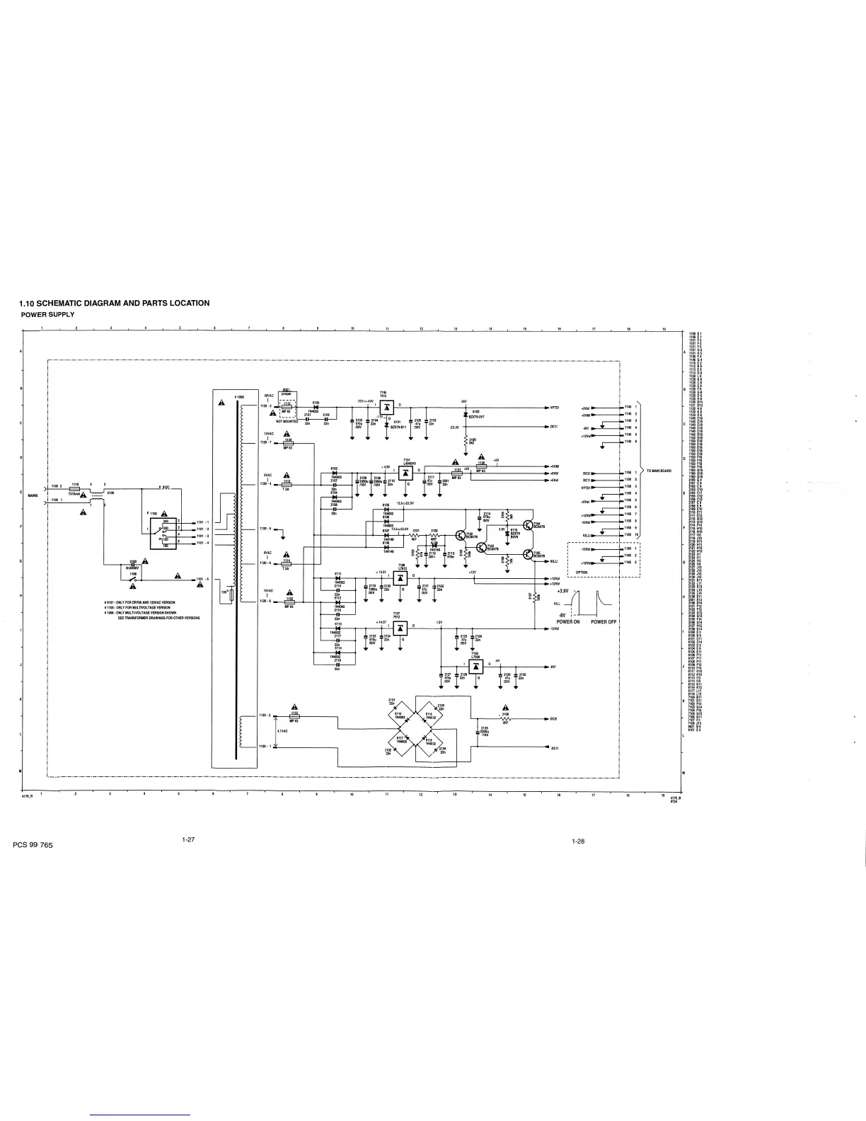
Marantz DR700 - Schematic Diagram and Parts Location; Power Supply Circuit Diagram

Marantz DR700
52 pages
Print Icon
To Next Page IconTo Next Page
To Next Page IconTo Next Page
To Previous Page IconTo Previous Page
To Previous Page IconTo Previous Page
Loading...

Related product manuals