EasyManua.ls Logo

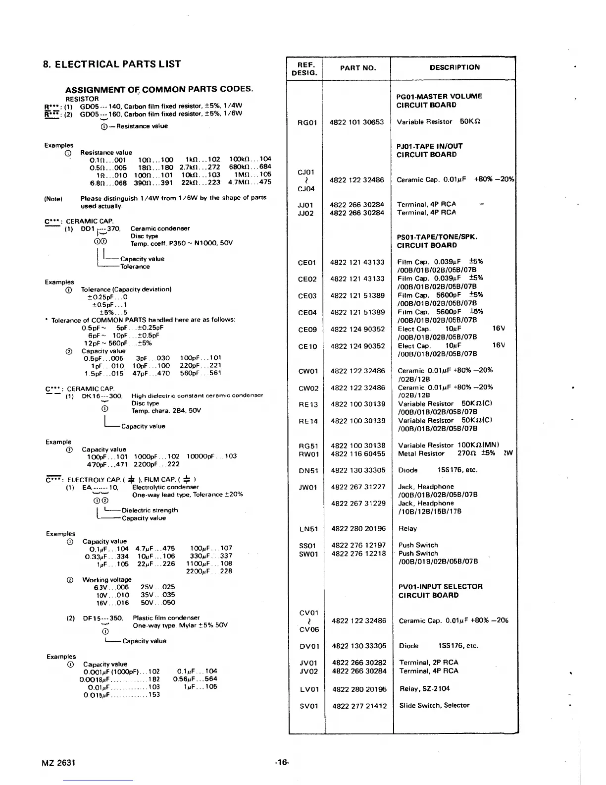
Marantz PM-42 - 8. ELECTRICAL PARTS LIST; RESISTOR; CERAMIC CAPACITOR; ELECTROLYTIC;FILM CAPACITOR

Marantz PM-42
17 pages
Print Icon
To Next Page IconTo Next Page
To Next Page IconTo Next Page
To Previous Page IconTo Previous Page
To Previous Page IconTo Previous Page
Loading...

Related product manuals