EasyManua.ls Logo

Marantz PM4200 - Block Diagram

Marantz PM4200
17 pages
Print Icon
To Next Page IconTo Next Page
To Next Page IconTo Next Page
To Previous Page IconTo Previous Page
To Previous Page IconTo Previous Page
Loading...
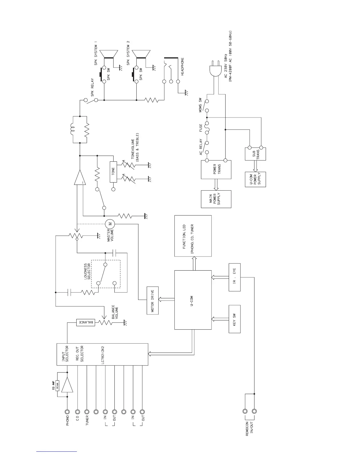
2. BLOCK DIAGRAM
AUX/DVD, MD/TAPE, CD-R
MAIN AMPLIFIER
TONE DEFEAT
AUX/DVD
MD/TAPE
CD-R
+
2

Other manuals for Marantz PM4200

Related product manuals