EasyManua.ls Logo

Marantz PM451 - Schematic Diagram

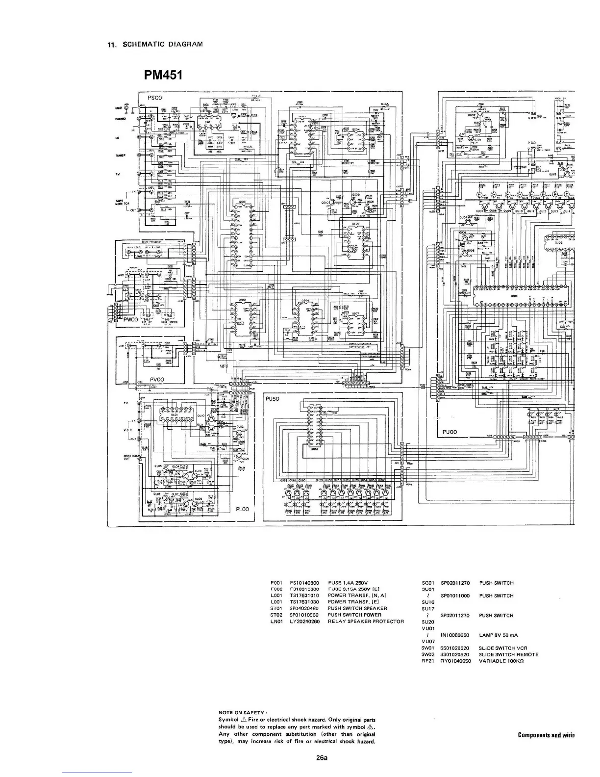
Marantz PM451
32 pages
Print Icon
To Next Page IconTo Next Page
To Next Page IconTo Next Page
To Previous Page IconTo Previous Page
To Previous Page IconTo Previous Page
Loading...

Related product manuals