EasyManua.ls Logo

Marantz PM500 - Page 17

Marantz PM500
37 pages
Print Icon
To Next Page IconTo Next Page
To Next Page IconTo Next Page
To Previous Page IconTo Previous Page
To Previous Page IconTo Previous Page
Loading...
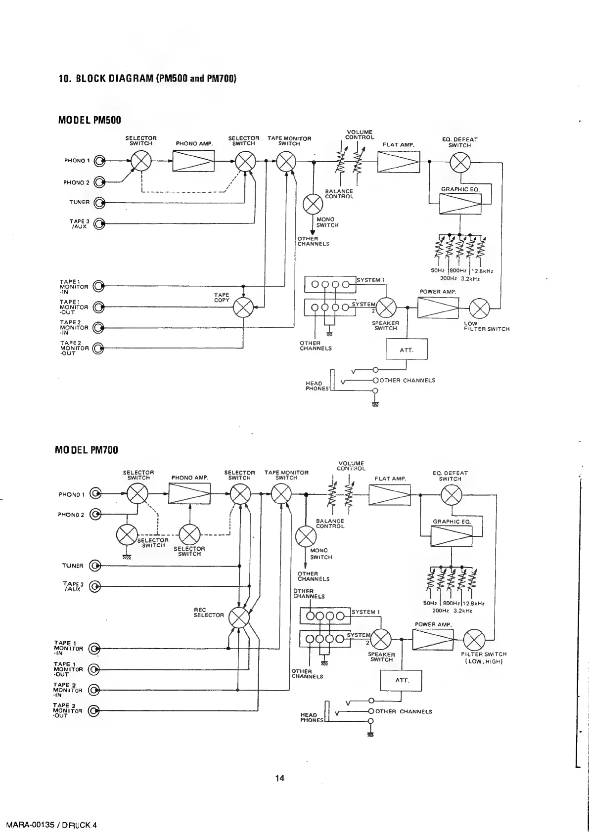
10.
BLOCK
DIAGRAM
(PM500
and
PM700)
VOLUME
SELECTOR
SELECTOR
TAPE
MONITOR
CONTROL
EQ.
DEFEAT
SWITCH
PHONO
AMP.
SWITCH
SWITCH
FLAT
AMP.
SWITCH
nO
Oe
{>
t
ra
PHONO
2
O
\
A
be
felis
oo
haar
tae
ae
a
BALANCE
CD
CONTROL
TUNER
(QQ
4
MONO
TAPE
3
/AUX
CG
SWITCH
OTHER
CHANNELS
200Hz
3.2kH2
TAPE1
es
MONITOR
Fee
POWER
ANP.
wonton
©
aS)
‘OUT
<>
TAPE2
SPEAKER
u
MONITOR
SWITCH
FILTER
SWITCH
-IN
CG
TAPE
2
OTHER
MONITOR
CHANNELS
mguTon
©
HEAD
Vo
OTHER
CHANNELS
PHONES
M
SHAE
Vy
SELECTOR
SELECTOR
TAPE
MONITOR
EQ.
DEFEAT
SWITCH
PHONO
AMP.
SWITCH
SWITCH
FLAT
AMP.
SWITCH
BALANCE
CONTROL
PHONO
1
(Q)
0)
2
1d
PHONO
2
oO)
f
0
ae.
ee
.
SWITCH
TUNER
F
TAPE3
/AUX
)
°
REC
SELECTOR
xX
TAPE
1
‘TY
MONO
SWITCH
@
THER
CHANNELS
@
THER
CHANNELS
SPEAKER
MONITOR
SWITCH
®
TAPE
1
MONITOR
OTHER
-OUT
CHANNELS
TAPE
2
MONITOR
IN
©
©
TAPE
2
MONITOR
-OUT
yous
OTHER
CHANNELS
©
HEAD
PHONES
14
MARA-00135
/
DRUCK
4
200Hz
3.2kHz
POWER
ANP.
FILTER
SWITCH
(LOW,
HIGH)

Related product manuals