EasyManua.ls Logo

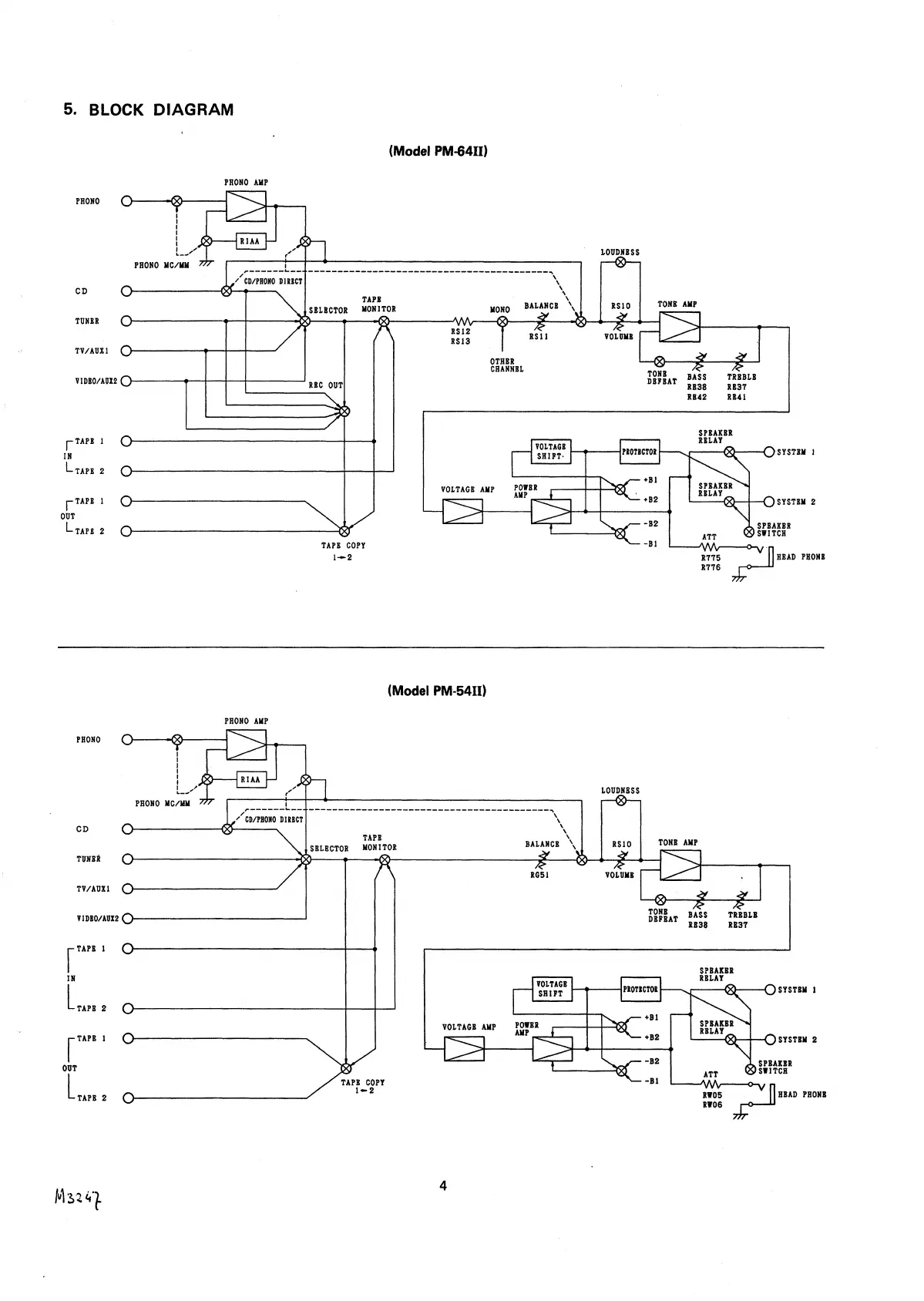
Marantz PM54II - Block Diagram of Amplifier

Marantz PM54II
35 pages
Print Icon
To Next Page IconTo Next Page
To Next Page IconTo Next Page
To Previous Page IconTo Previous Page
To Previous Page IconTo Previous Page
Loading...

Related product manuals