EasyManua.ls Logo

Marantz PROFESSIONAL Series - Page 7

Marantz PROFESSIONAL Series
27 pages
Print Icon
To Next Page IconTo Next Page
To Next Page IconTo Next Page
To Previous Page IconTo Previous Page
To Previous Page IconTo Previous Page
Loading...
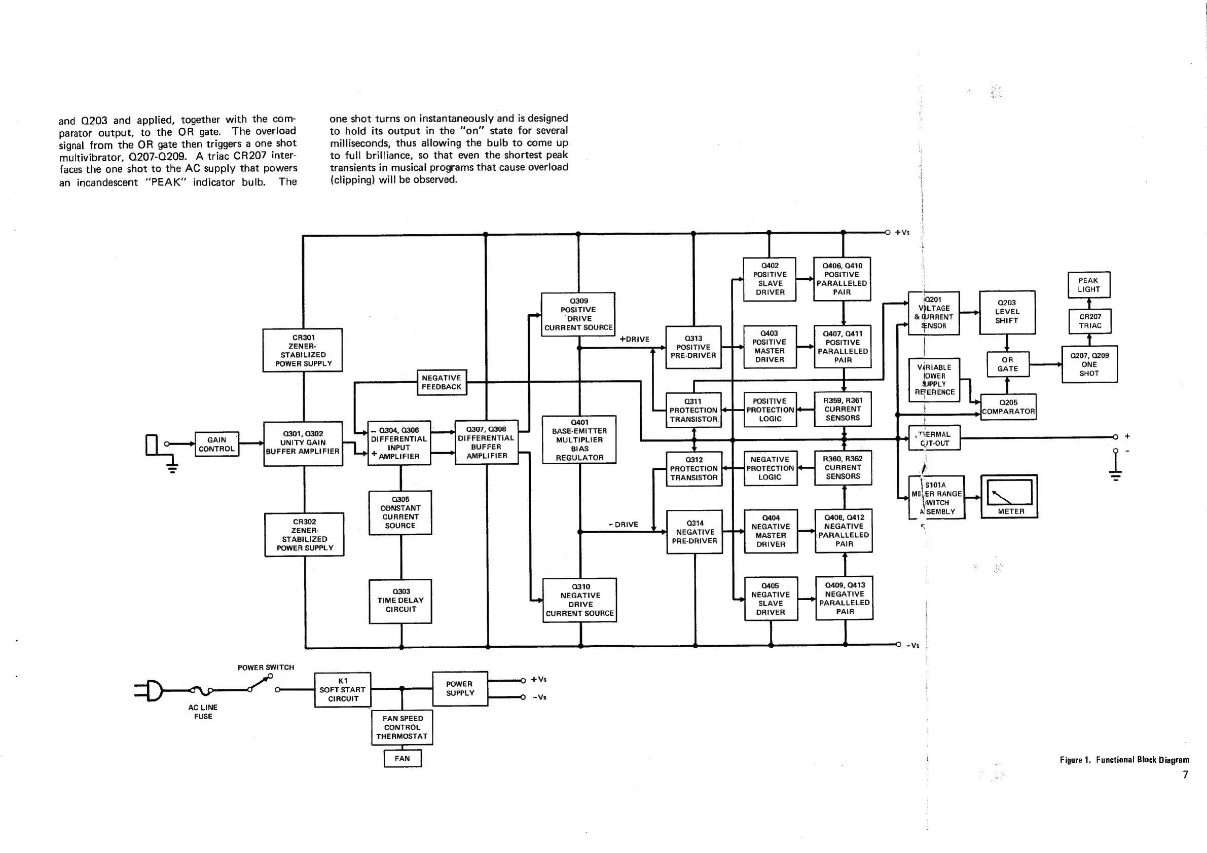
and
Q203
and
applied,
together
with
the
com-
parator
output,
to
the
OR
gate.
The
overload
signal
from
the
OR
gate
then
triggers
a
one
shot
multivibrator,
Q207-0209.
A
triac
CR207
inter-
faces
the
one
shot
to
the
AC
supply
that
powers
an
incandescent
“PEAK”
indicator
bulb.
The
GAIN
CONTROL
POWER
SWITCH
oa
0
el
AC
LINE
FUSE
CR301
ZENER-
STABILIZED
POWER
SUPPLY
Q301,
0302
UNITY
GAIN
BUFFER
AMPLIFIER
CR302
ZENER-
STABILIZED
POWER
SUPPLY
one
shot
turns
on
instantaneously
and
is
designed
to
hold
its
output
in
the
“on”
state
for
several
milliseconds,
thus
allowing
the
bulb
to
come
up
to
full
brilliance,
so
that
even
the
shortest
peak
transients
in
musical
programs
that
cause
overload
(clipping)
will
be
observed.
K1
SOFT
START
CIRCUIT
0304,
0306
DIFFERENTIAL
INPUT
+
AMPLIFIER
Q305
CONSTANT
CURRENT
SOURCE
Q303
TIME
DELAY
CIRCUIT
FAN
SPEED
CONTROL
THERMOSTAT
NEGATIVE
FEEDBACK
DIFFERENTIAL
309
POSITIVE
“DRIVE
CURRENT
SOURCE
a4o1
BASE-EMITTER
MULTIPLIER
BIAS
REGULATOR
Q310
NEGATIVE
DRIVE
CURRENT
SOURCE
Q313
POSITIVE
PRE-DRIVER
Q311
q
PROTECTION
TRANSISTOR.
i
0312
ql
PROTECTION
TRANSISTOR
Q314
NEGATIVE
PRE-DRIVER
Q402
POSITIVE
SLAVE
DRIVER
Q403
POSITIVE
MASTER
DRIVER
NEGATIVE
R360,
R362
PROTECTION
LOGIC
Q404
NEGATIVE
MASTER
DRIVER
0405
NEGATIVE
SLAVE
DRIVER
POSITIVE
R359,
R361
PROTECTION
LOGIC
SENSORS
Q406,
0410
POSITIVE
PARALLELED
PAIR
Q407,
0411
POSITIVE
PARALLELED
PAIR
CURRENT
CURRENT
SENSORS
Q408,
0412
NEGATIVE
PARALLELED
PAIR
Q409,
0413
NEGATIVE
PARALLELED
PAIR
O
+Vs
VARIABLE
jOWER
UPPLY
REFERENCE
Q205
COMPARATOR
THERMAL
CJT-OUT
}
|sto1a
MER
RANGE
{WITCH
A:
SEMBLY
O-Vs
;
CR207
TRIAC
PEAK
LIGHT
Figure
1.
Functional
Block
Diagram
7