EasyManua.ls Logo

Marantz SD1000 - Page 32

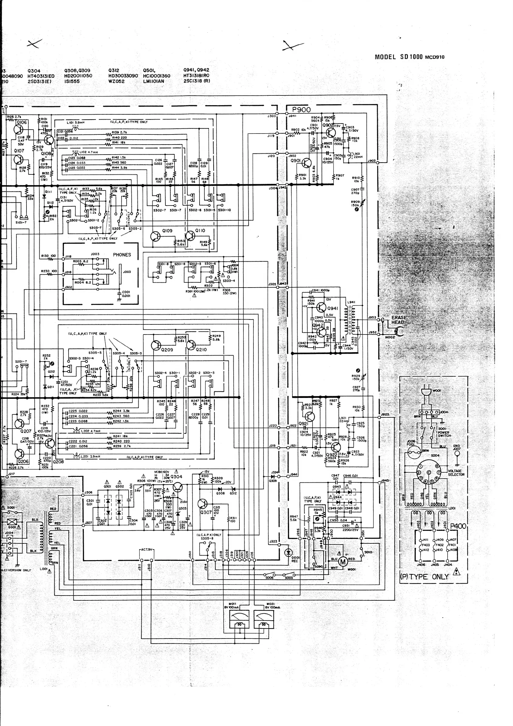
Marantz SD1000
32 pages
Print Icon
To Previous Page IconTo Previous Page
To Previous Page IconTo Previous Page
Loading...
<
|
=
ce
MODEL
S$D1000
mco910
3.
Q304
Q308,Q309
Q312
Qs0l,
Q941,
Q942
0048090
HT403I3IEO
HD20011050
HD30033090:
HCIOOOI360
HT31318{RO
Se
;
;
:
PIO
2SD313(E)
ISI5S55
wz05s2
»
LMUOIAN
=
2SC1318
(R)
:
:
ae
:
a
:
R904
560k
c90l
R902
Wx
*/50V
PF
sov
Es
RI42
1.5k
ci28
|
ci29
R903
6.8k
(U,C,A,P,K)
TYPE
ONLY
R130
100
Jus
4003
PHONES
|
O03
8.2
R230
100]
|
yoig
ie
C225
0.022
C223
0.068
R24!
18k
ar
C923
22
[7-5VeP
4.7/50V
veso:eov
A
sowQ304
R306
IOUIW)
(Tem
25)
C947
C946
0.01
fo¥e]]
A
A
Q30i
=Q302
9308
Q3i2
(U.C.A.P.
K
ONLY
$305-8

Related product manuals